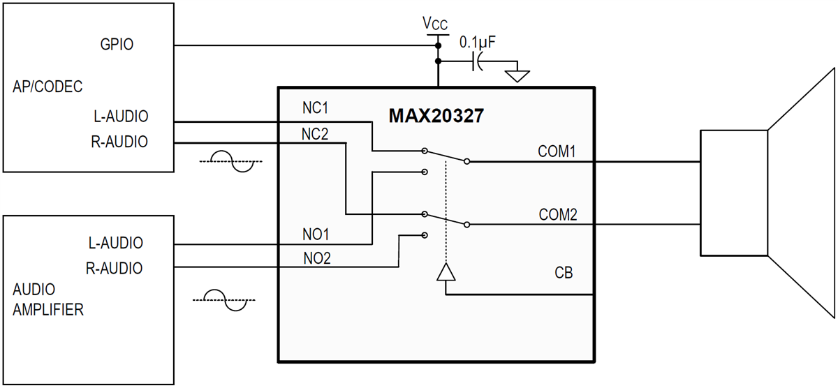
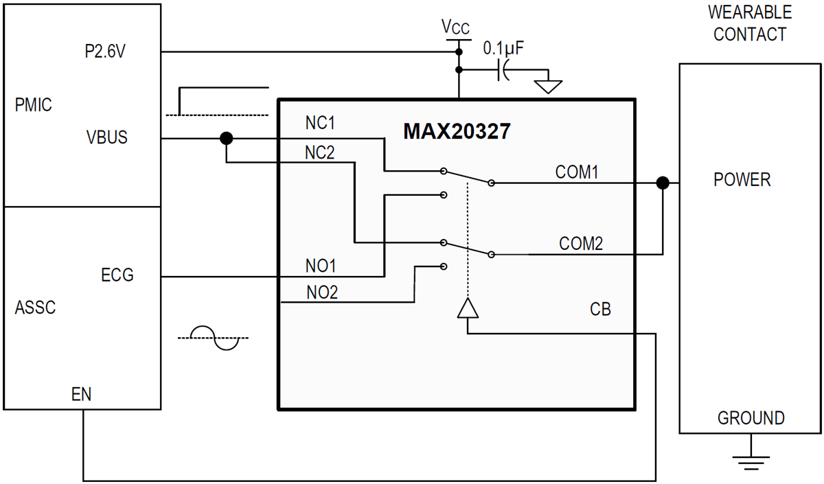
MAX20327在+1.6V至+5.5V单电源电压范围内工作。由于所需供电电流非常小,VCC可由GPIO提供。未加电时,开关为高阻模式,所有模拟信号输入端口均可承受-5.5V至+5.5V信号。开关由单个控制位CB控制。
特性
- 无失真超摆幅信号
- 支持负电压音频和视频信号
- -5.5V至+12V模拟信号范围,独立于VCC
- 导通电阻:0.2Ω(典型值)
- 单电源电压范围:+1.6V至+5.5V
- 总谐波失真+噪声:0.001%(典型值)
- 导通电阻平坦度:0.001Ω(典型值)
- 低电源电流:30µA(典型值,1.6V)
- 可由GPIO供电
- VCC未加电时开关为高阻模式
- COM_具有ESD保护
- ±15kV人体模型
- ±8kV IEC 61000-4-2气隙放电
- ±6kV IEC 61000-4-2接触放电
- 设计灵活性
- 先断后合操作
- 9焊球WLP (1.6mm x 1.6mm)
- 工作温度范围:-40°C至+85°C
特性
- 蜂窝电话
- 平板电脑
- 便携式音频/视频设备
- 便携式导航设备
发布日期: 2018-08-31
| 更新日期: 2023-04-25

