特性
- 宽电压范围运行
- 启动后工作电源电压低至4V
- 承受高达52V的负载突降
- 高度集成
- 完整的6通道解决方案,包括升压控制器
- 所有设置均通过外部元件执行,无需微控制器干预
- 高度可靠、低EMI
- 扩频振荡器
- 相移
- 开关频率范围:400kHz至2.2MHz
- 多种调光方法,支持混合调光或仅PWM调光
- 混合调光时,调光比大于10000:1
- PWM调光时,调光比为10000:1 (200Hz)
- 整套故障保护功能
- LED开路/短路检测和保护
- 升压输出欠压和过压
- 热关断
- 紧凑型 (4mm x 4mm) 24引脚TQFN封装
应用
- 信息娱乐系统显示屏
- 中央信息显示屏
- 仪表盘
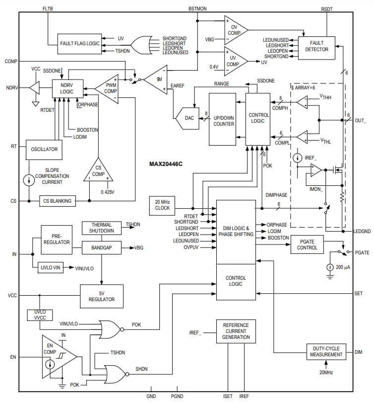
框图
发布日期: 2021-04-13
| 更新日期: 2023-04-13

