Analog Devices MAX20457评估套件预装有MAX20457ATIE/VY+(5V、3.3V、2.1MHz)。该套件还可用于评估其他MAX20457型号(元件变化极小)。
特性
- 双路高压降压转换器,集成有功率FET,可最大限度地减少电路板占用面积
- 输入电源电压范围:3.5V至40V
- Buck1提供5V输出,输出电流高达3.5A
- Buck2提供3.3V输出,输出电流高达2A
- 使用外部电阻器可在1V至14V范围内调节降压输出电压
- 降压转换器的输出电压精度为±2%
- 可选Buck2输入源
- 频率同步输入
- 独立使能输入
- 电压监控PGOOD输出
- 关键节点上的跳线和测试点,简化评估
- 经过验证的PCB布局
- 完全组装并经过测试
必要设备
- MAX20457评估套件
- 15V、7A直流电源 (PS1)
- 两个电压表(VM1和VM2)
- 两个电子负载(EL1和EL2)
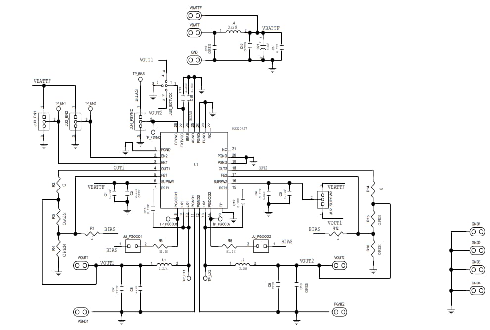
示意图
发布日期: 2021-02-08
| 更新日期: 2023-04-14

