Analog Devices Inc. MAX20463汽车用USB Type-A转Type-C转换器
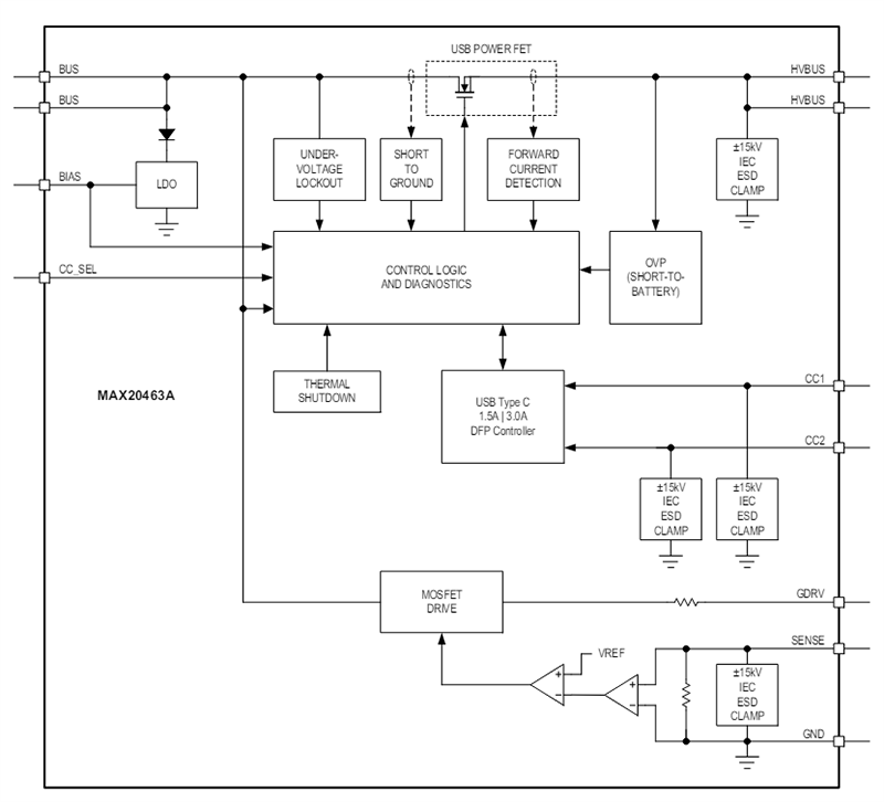
Analog Devices MAX20463汽车用USB Type-A转Type-C转换器用于将现有的USB-A主机固定式电缆端口转换为主机USB Type-C ™ 固定式电缆端口。 MAX20463器件设计用于汽车模块。在电缆末端,可以重复使用现有的上游主机USB-A解决方案和USB-A固定式电缆外壳。该器件的保护功能包括CC1/CC2上 ±15kV/±8kV IEC 61000-4-2 ESD,以及SENSE/HVBUS上带电池短路(18V)的IEC ESD MAX20463A可检测到乘客电缆屏蔽对汽车电池的短路,从而防止损坏端口。HVBUS信号还具有对地短路和电池短路耐久性,定义为与现有的主机USB-A充电器/保护器配合使用。这样即可进行协调故障检测,并向主机的USB主机报告。该器件符合USB Type-C规范。
ADI MAX20463采用小型3mmx3mm、12引脚TDFN封装,仅需极少外部元件。
特性
- USB Type-C R1.3兼容集成式VBUS 放电
- USB Type-C 1.5A和3.0A DFP控制器
- 通过VBUS 压差降低Type-C电流限制
- 设计用于与主机保护器进行协同保护
- HVBUS上电池短路和接地短路保护,由上游保护器处理
- 精确的USB总线正向电流阈值
- 低RON USB电源开关:28mΩ(典型值)
- 符合 AEC-Q100
- 稳健的设计可确保汽车系统和便携式设备在汽车环境中安全运行
- 可选的屏蔽电池短路检测和外部FET控制
- 受保护的CC1和CC2输出上BUS短路保护
- IEC 61000-4-2 4级ESD保护(HVBUS、CC1、CC2、SENSE)
- 3mmx3mm 12引脚TDFN封装
- 工作温度范围:-40 °C至+105 °C
应用
- 汽车下游USB模块
- 汽车用USB固定式电缆外壳
简化框图
功能框图
发布日期: 2020-06-08
| 更新日期: 2024-05-29
