Analog Devices Inc. MAX22007EVKIT 评估套件
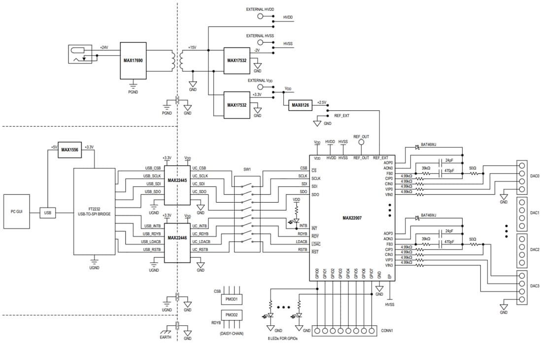
Analog Devices MAX22007EVKIT评估套件提供评估MAX22007工业四通道可配置模拟输出所需的硬件和软件。MAX22007EVKIT通过USB端口与PC上运行的图形用户界面 (GUI) 进行通信。该评估套件设有用于SPI通信的板载FT2232 USB转SPI桥接器,同时支持外部SPI主器件通过调制器1连接器与MAX22007进行通信。板载直流-直流转换器可产生必要的电源电压, HVDD为+15V, VDD 为+3.3V,HVSS为-2V,从而为MAX22007供电。可使用PMOD1和PMOD2连接器在菊花链模式下连接多个MAX22007EVKIT板。特性
- 两种可访问模式
- 模拟输出电压模式
- 模拟输出电流模式
- 支持负载阻抗检测
- 访问所有GPIO
- Windows® 10兼容软件
- 经过验证的PCB布局
- 完全组装并经过测试
应用
- 楼宇自动化模拟输出
- 可配置模拟输出卡
- 工厂自动化模拟输出
- 过程自动化
- 可编程逻辑控制器
必要设备
- MAX22007EVKIT评估套件
- Micro-USB电缆
- 24V、1A直流电源
- Windows 10 PC,带备用USB端口
- 万用表
框图
发布日期: 2020-10-20
| 更新日期: 2024-07-15
