Analog Devices Inc. MAX22088 Homebus收发器
Analog Devices Inc. MAX22088 Homebus收发器符合家庭总线标准,通过一对电线传输数据和供电,同时最大限度地减少对外部元器件的需求。该系列消除了总线供电应用通常所需的大型外部交流阻断电感器,并提高了信号质量,从而实现更长电缆。该模块具有集成的5V线性稳压器,可为高达70mA的系统负载供电,并支持传输电源和数据,速度高达200kbps多。动态电缆端接提高了高数据速率应用的信号质量。MAX22088的接收器滞后、接收器阈值和驱动器转换率均可调。集成保护可确保在恶劣的工业环境中实现稳健的通信。 Analog Devices Inc. MAX22088 Homebus收发器设有集成有源电感器,采用24引脚4mm x 4mm TQFN封装。特性
- 高集成度减少了BOM和占位面积
- 无需大型交流阻断电感器
- 紧凑型4mm x 4mm TQFN封装
- 支持外部直流-直流转换器,用于超过70mA的系统负载
- 可配置性实现灵活设计
- 可调接收器阈值
- 开关式电缆端接
- 发射信号上可调转换率
- 大接收器滞后
- 数据速率:9600bps至≥200kbps
- 动态电缆端接提升高速应用的信号质量
- 功
- 线路输入电压高达24V
- 负载输出电流高达200mA
- 在1km电缆上的数据传输速率达200kbps
- 双线经电源线路的数据通信减少了布线和连接器成本
- 集成的保护特性可确保稳健的通信
- IEC 61000-4-2 ±8kV接触和±15kV气隙ESD保护
- IEC 61000-4-5 ±1kV浪涌保护,具有选定外部元件
- 工作温度范围:-40°C至+105°C
- 热关断保护
- 经电源线路的数据传输
- 单对线可节省电缆成本
- 与极性无关,便于安装
- 交流耦合线路,实现平衡直流
- 支持复杂拓扑的多节点
- 长电缆长度(长达1km)、多点(典型32个节点,高达256个)、低速 (<200kbps)、高性价比通信
- 实现小尺寸、更好信号完整性且稳健的经电源线数据通信解决方案
应用
- 暖通空调
- 经电源线路的数据传输
- 数字标牌
- 远程监测和传感
视频
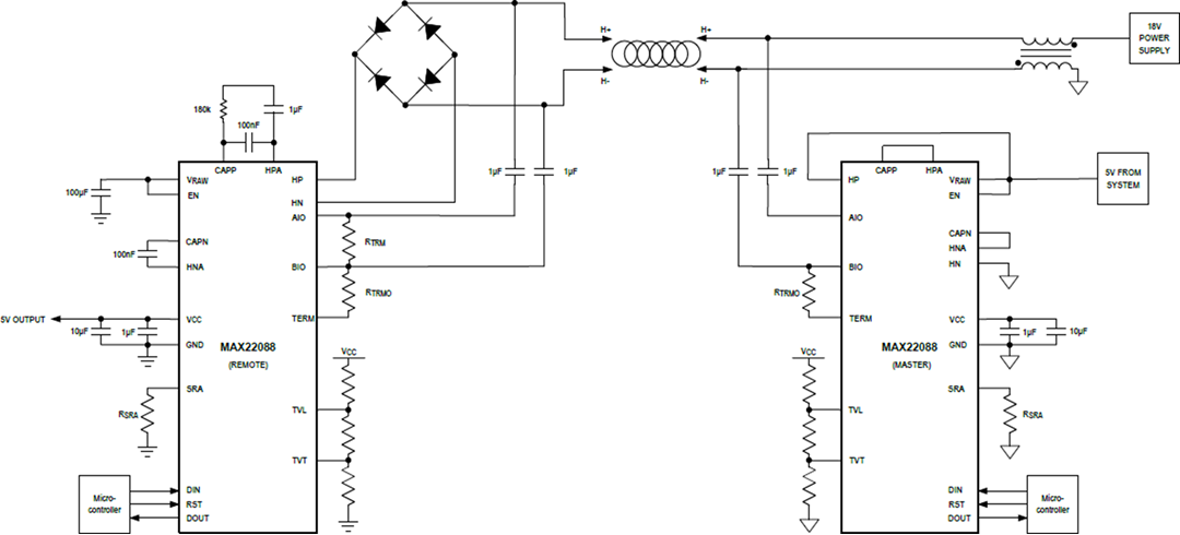
简化的Homebus系统
其他资源
发布日期: 2020-05-11
| 更新日期: 2024-08-23
