特性
- 高速工业数字输入
- 最大传播延迟:300ns
- 最大通道间偏差:±10ns
- 用于同时信号传输的并行输出
- 高集成度,可减少BOM数量和电路板空间
- 直接由现场电源 (7V至65V)供电运行
- 兼容3.3V或5V逻辑
- 5mm x 5mm、32-TQFN封装
- 低功耗和低热散
- 低静态电流:1.2mA(最大值)
- 高精度输入限流器
- 节能现场总线侧LED驱动器
- 具备容错能力,内置诊断功能
- 集成现场侧电源监控器
- 集成过热监控器
- 电流设定电阻监控器
- 可配置性支持各种应用
- 可配置为IEC 61131-2 Type 1、Type 2、Type 3输入
- 可配置0.56mA至3.97mA输入限流
- 坚固耐用的设计
- 耐受±1kV浪涌,使用最小1kΩ电阻
- ±8kV接触放电和±15kV气隙ESD,使用最低1kΩ电阻器
- 环境工作温度范围:−40°C至+125°C
应用
- 可编程逻辑控制器
- 工业自动化
- 过程自动化
- 楼宇自动化
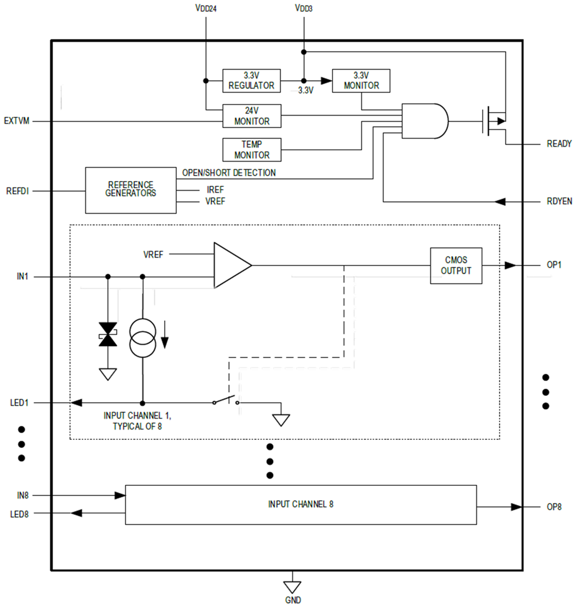
功能/框图
发布日期: 2018-08-29
| 更新日期: 2023-04-25

