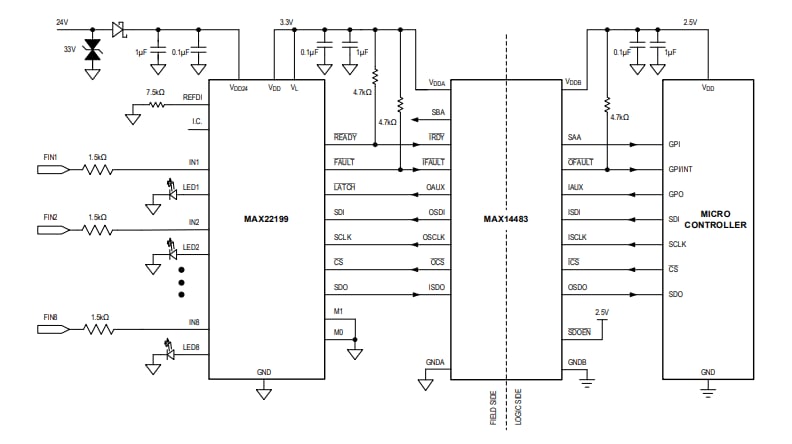
Analog Devices MAX22199具有4引脚SPI接口,并利用锁存输入在多个器件上同步输入数据采样。SPI接口在3.3V或5V逻辑电平下工作,由VL引脚控制,采用5mm x 5mm TQFN封装。
特性
- 高度集成,可减少BOM数量、节省电路板空间
- 八个输入通道,带串行器
- 直接由现场电源 (7V至65V)供电运行
- 兼容3.3V或5V逻辑
- 5mm x 5mm TQFN封装
- 低功耗和低热散
- 电源电流:0.6mA(典型值)
- ±11%高精度输入限流器
- 节能现场总线侧LED驱动器
- 低功耗,具有负输入电压
- 故障容限
- 输入保护至±40V
- 集成现场电源电压监测器
- 5位CRC SPI错误检测
- 具有可配置性,可支持各种应用
- 可配置输入电流:0.5mA至3.4mA
- 可选择输入去抖滤波
- 可禁用电流源
- 支持菊花链SPI和直接SPI
- 设计坚固耐用
- ±8kV接触放电ESD和±15kV气隙放电ESD保护
- 使用最小1kΩ电阻
- 耐受±2kV浪涌,使用最小1kΩ电阻
- 环境工作温度范围:-40°C至+125°C
- MAX22190可提供高级诊断
- 引脚对引脚兼容
- 寄存器兼容
应用
- 可编程逻辑控制器
- 分布式控制系统
- 电机控制
- 楼宇自动化
框图
发布日期: 2021-11-09
| 更新日期: 2023-04-17

