Analog Devices / Maxim Integrated MAX22199EVKIT评估套件
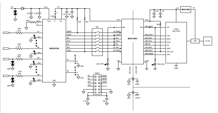
Analog Devices MAX22199EVKIT评估套件提供评估MAX22199八通道工业数字输入所需的硬件和软件。MAX22199八进制工业数字输入可将八个24V吸收电流工业输入转换为对接3V至5.5V逻辑且兼容SPI的串行输出。符合IEC 61131-2标准的工业数字输入器件可用作八个Type 1/Type 3数字输入或四个Type 2数字输入。Analog Devices MAX22199EVKIT评估套件通过USB端口从PC接收命令,从而创建SPI接口,用于软件与安装的MAX22199之间的通信。此外,该套件还设有Pmod™兼容连接器,用于与MCU或FPGA等外部主机设备进行SPI通信。图形用户界面 (GUI) 提供目标器件与PC之间的通信。MAX22199EVKIT设计用于支持分别按照IEC 61000-4-2、IEC 61000-61000-4-4和IEC 61000-4-5标准进行的ESD、EFT和浪涌瞬态抑制测试。
特性
- 轻松评估MAX22199
- EV套件逻辑侧采用USB供电
- 可配置为IEC 61131-2 Type 1、Type 3
- 使用MAX14483进行电隔离
- 支持按照IEC 61000-4-2、IEC 61000-4-4和IEC 61000-4-5标准的瞬态抑制测试
- 稳健的设计,线路对地和线对线耐受±2kV浪涌,现场输入±8kV接触ESD和±15kV气隙ESD
- Windows® 10兼容软件
- 完全组装并经过测试
- 成熟的PCB布局
- 符合RoHS指令
套件内容
- MAX22199EVKIT#,包括MAX22199ATJ+
- Micro-USB电缆
必要设备
- MAX22199评估套件
- 24V DC电压电源(或配备圆柱形连接器的24V交流-直流适配器)
- Micro-USB电缆
- Windows 10、Windows 8,1、Windows 7、Window XP PC,带备用USB端口
系统框图
发布日期: 2021-11-09
| 更新日期: 2023-04-17
