特性
- 八个半桥(高达+36V)
- 高性能
- 低导通电阻RDS(on): 200mΩ(TA = +25°C时,典型值)
- 连续输出电流:每半桥高达1ARMS(TA=+25°C时)
- 电流驱动调节 (CDR)
- 电压驱动调节 (VDR)
- 集成无损电流检测 (ICS)
- 灵活性好
- 每个通道独立可编程HIT和HOLD电流(IHIT、IHOLD)
- 每个通道独立可编程HIT电流计时(tHIT)
- 支持全桥配置
- 支持并行模式
- 高速串行接口 (SPI)
- 5MHz菊花链配置
- 10MHz,无菊花链
- 保护和诊断
- 过流保护 (OCP)
- 开路负载检测 (OL)
- 检测柱塞运动 (DPM)
- 欠压闭锁 (UVLO)
- 电流未达到HIT (HHF)
- 热关断T=+145°C (TSD)
- 诊断用故障寄存器
- 集成:
- TQFN-32 5mm x 5mm封装
应用
- 继电器驱动器
- 电磁阀、阀门、电磁驱动器
- 通用低侧和高侧开关应用
- 锁存(双稳态)电磁阀驱动器
- 有刷直流电机驱动
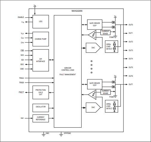
框图
视频
发布日期: 2021-05-04
| 更新日期: 2023-04-13

