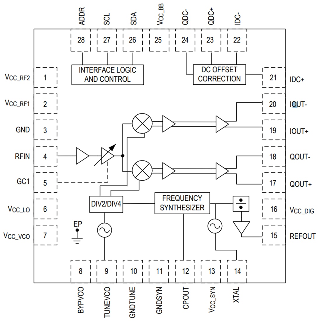
该器件包括完整的单片VCO,以及一个完整的N分频频率合成器。此外,还有一个片上晶体振荡器及缓冲输出,用于驱动额外的调谐器和解调器。通过2线串行接口完成合成器的编程和器件配置。该IC具有VCO自动选择 (VAS) 功能,可自动选择适当的VCO。对于多调谐器应用,该器件可配置为具有两个2线接口地址之一。当信号路径处于关断状态时,可提供低功耗待机模式,同时又让参考振荡器、数字接口和缓冲器电路处于工作状态。这提供了一种在单调谐器和多调谐器应用中降低功耗的方法。
特性
- 频率范围:925MHz至2175MHz
- 单片VCO
- 低相位噪声:-97dBc/Hz(10kHz时)
- 无需校准
- 高动态范围:-75dBm至0dBm
- 支持1GHz射频带宽
- +3.3V ±5%单电源
- 低功耗待机模式
- 地址引脚,用于多调谐器应用
- 差分I/Q接口
- I2C 2线串行接口
- 极小尺寸、5mmx5mm、28引脚TQFN封装
应用
- VSAT
框图
发布日期: 2020-01-21
| 更新日期: 2024-04-17

