特性
- 简单灵活的设计
- 电源范围:5V至36V
- 效率高达91%
- 为变压器提供超过15W的功率
- 欠压闭锁
- 内部或外部时钟源
- 同步时钟输出 (MAX22258)
- 可编程过流阈值
- 可调死区时间:30ns至200ns (MAX22258)
- 稳健的集成系统保护
- 故障检测和指示
- 过流限制高达1A
- 超温保护
- 精密内部时钟源 (±6%) 可防止频移导致变压器磁芯损耗过大
- 宽温度范围:-40°C至+125°C
- 节省空间
- 小型3mm x 3mm 10引脚TDFN封装 (MAX22256A/B/C),脚距为0.5mm
- 小型4mm x 5mm 14引脚TSSOP封装 (MAX22258) ,脚距为0.65mm
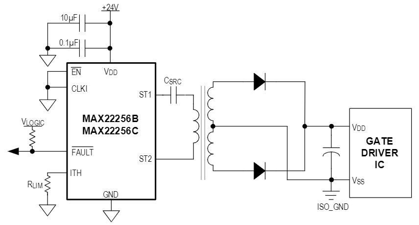
框图
发布日期: 2022-11-29
| 更新日期: 2023-04-13

