特性
- 具有可配置性的可靠通信
- 动态电缆端接提高了 高速应用的信号质量
- 可调压摆率,以实现低EMI
- 1000m UT电缆上的最大数据速率高达200kbps
- 可编程接收器阈值
- 节省空间
- 4mm x 4mm TQFN封装
- 与MAX22088引脚对引脚兼容
- 集成保护
- 符合IEC 61000-4-2 ESD保护标准,接触放电±8kV, 气隙放电±15kV
- IEC 61000-4-5 ±1kV浪涌保护,具有选定外部元件
- 工作温度范围:-40°C至+125°C
应用
- 暖通空调
- 楼宇控制器
- 工业物联网
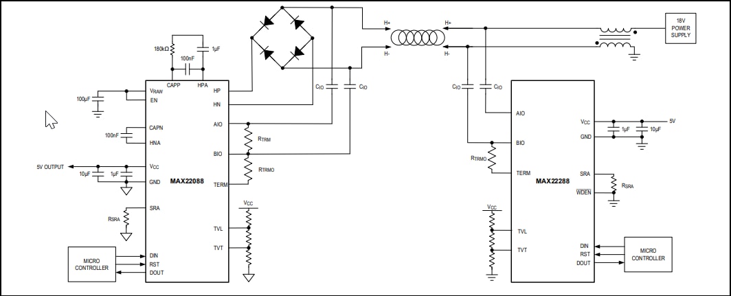
简化家庭总线系统 (HBS)
发布日期: 2021-10-08
| 更新日期: 2023-04-17

