MAX22445隔离器的数据速率为25Mbps或200Mbps,隔离器每侧有独立的1.71V至5.5V电源,设有3个方向配置。这些器件的工作温度范围为-40°C至125°C。MAX22445 4通道数字隔离器采用16引脚宽体SOIC封装,具有8mm的爬电距离和电气间隙。典型应用包括隔离式SPI接口、电池管理、隔离式RS-485/RS-422和医疗系统。
特性
- 采用Maxim的专有工艺
- 快速可靠的数字信号电隔离:
- 数据速率:高达200Mbps(最大值)
- 可耐受5kVRMS,持续60s
- 持续承受1500VRMS
- 耐受GNDA和GNDB之间的±10kV浪涌,波形为1.2/50μS
- 低功耗:
- 在1Mbps时每通道0.74mW,具有1.8VDD
- 在1Mbps时每通道1.4mW,具有3.3VDD
- 在100Mbps时每通道3.2mW,具有1.8V VDD
- 支持各种应用的选项:
- 2种最大数据速率(200Mbps或25Mbps)
- 3种方向配置
- 高电平有效或低电平有效使能输入
- 2个固定输出默认状态(高/低)或引脚可选 (M/N版)
应用
- 隔离式SPI接口
- 工业自动化现场总线通信
- 隔离式RS-485/RS-422和控制器局域网 (CAN)
- 电池管理
- 医疗系统
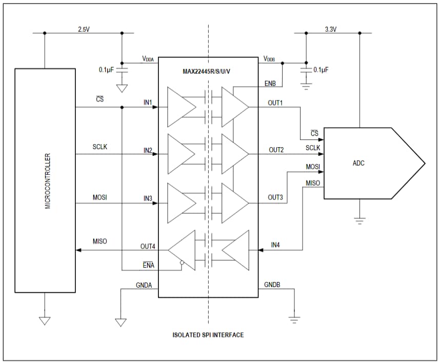
MAX22445应用图
View Results ( 13 ) Page
| 物料编号 | 数据表 | 极性 | 数据速率 | 隔离类型 | 传播延迟时间 | 最大下降时间 | 最大上升时间 |
|---|---|---|---|---|---|---|---|
| MAX22444CAWE+ | ![]() |
Unidirectional | 200 Mb/s | Galvanic Isolation | 6.1 ns | 3 ns | 2.4 ns |
| MAX22445EAWE+ | ![]() |
Unidirectional | 25 Mb/s, 200 Mb/s | Capacitive Coupling | |||
| MAX22445FAWE+ | ![]() |
Unidirectional | 25 Mb/s, 200 Mb/s | Capacitive Coupling | 5.7 ns | 3 ns | 2.4 ns |
| MAX22441CAEE+ | ![]() |
||||||
| MAX22446CAWE+ | ![]() |
Unidirectional | 25 Mb/s, 200 Mb/s | Capacitive Coupling | 6.1 ns | 3 ns | 2.4 ns |
| MAX22441FAEE+ | ![]() |
||||||
| MAX22446EAWE+ | ![]() |
Bidirectional | 25 Mb/s, 200 Mb/s | Galvanic Isolation | 24.2 ns | 0.8 ns | 1 ns |
| MAX22446EAWE+T | ![]() |
Bidirectional | 25 Mb/s, 200 Mb/s | Galvanic Isolation | 24.2 ns | 0.8 ns | 1 ns |
| MAX22446CAWE+T | ![]() |
Unidirectional | 25 Mb/s, 200 Mb/s | Capacitive Coupling | 12 ns | 3 ns | 2.4 ns |
| MAX22441CAEE+T | ![]() |
发布日期: 2018-06-27
| 更新日期: 2023-06-27


