该收发器提供了8引脚SOIC和8引脚μMAX封装,工作温度范围为-40°C至+125°C。MAX22506E收发器设计用于在恶劣的工业环境中工作,优化用于在电磁干扰 (EMI) 较高的环境中实现可靠通信。典型应用包括运动控制、编码器接口、现场总线网络、工业控制系统和背板总线。
特性
- 集成保护提高了稳健性:
- 共模范围:-15V至+15V
- ±15kV ESD保护(人体模型)
- ±7kV IEC 61000-4-2气隙ESD保护
- ±6kV IEC 61000-4-2接触放电ESD保护
- 耐受超过±4kV EFT
- 驱动器输出受到短路保护
- 远距离高速运行:
- 数据速率高达50Mbps
- 接收器灵敏度高
- 高接收带宽
- 对称的接收器阈值
规范
- 存储温度范围:-65°C至+150°C
- 电源电压范围:3V至5.5V
- 工作温度范围:-40 °C至125 °C
- 关断电流:5μA(最大值)
应用
- 运动控制
- 编码器接口
- 现场总线网络
- 工业控制系统
- 背板总线
框图
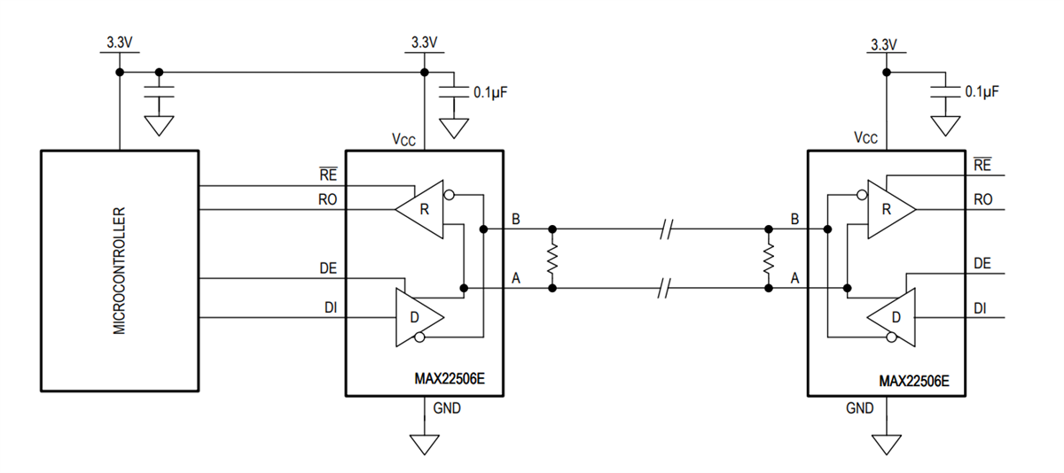
应用电路图
发布日期: 2021-03-30
| 更新日期: 2024-05-23

