内部电流模式直流-直流开关控制器可配置为升压或SEPIC拓扑电路,工作频率范围为400kHz至2.2MHz。集成的扩频有助于降低EMI。该器件采用自适应输出电压调节机制,可最大限度地降低LED电流驱动通路的功耗。
包含用于外部nMOSFET系列开关的控制,以降低背光关闭时的静态电流,并在发生故障时断开升压转换器。
MAX25014符合AEC-Q100标准,采用24引脚TQFN封装,设计用于在-40°C至+125°C温度范围内工作。
特性
- 宽电压范围运行
- 启动后工作电源电压低至2.5V
- 承受高达40V的负载突降
- 高度集成
- 完整的4通道解决方案,包括升压控制器
- I2C控制,可最大限度地减少元件数量
- 高度可靠、低EMI
- 扩频振荡器
- 相移
- 开关频率范围:400kHz至2.2MHz
- nMOS输入保护开关
- 多种诊断功能
- LED电流测量
- 升压输出电压测量
- LED开路/短路检测和保护
- 升压输出欠压和过压
- 多种调光方法,支持使用DIM输入或I2C进行混合调光或仅PWM调光
- 混合调光时,调光比>10,000:1
- PWM调光时,调光比为10,000:1(200Hz时)
- 紧凑型 (4mm x 4mm) 24引脚TQFN和SWTQFN封装
应用
- 仪表盘
- 信息娱乐系统显示屏
- 中央信息显示屏
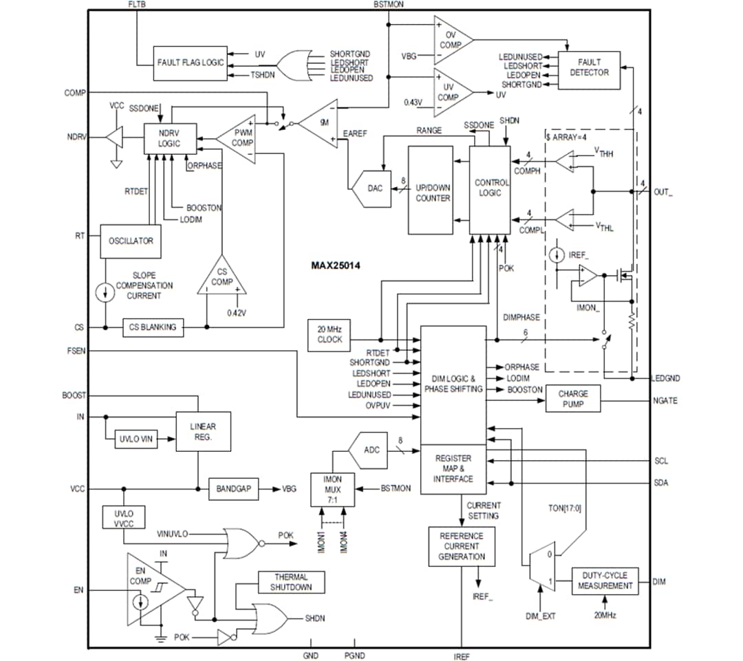
框图
典型应用电路
发布日期: 2020-07-10
| 更新日期: 2024-06-03

