特性
- 满足严格的汽车质量和可靠性要求
- 工作输入电压范围为2V至36V,可在冷启动条件下工作
- 可承受42V输入瞬变
- EN引脚兼容高达42V
- 典型输入电流限制:8.2A/10A
- 固定和可调节输出电压选择
- 汽车温度范围:-40°C至+125°C(1级)
- 符合AEC-Q100标准的高集成度和散热增强型封装,可降低BOM成本并节省电路板空间
- 集成FET半桥架构
- 2.1MHz/400kHz/200kHz开关频率
- 锁相环 (PLL) 频率同步
- 散热增强型22引脚FC2QFN封装
- 低静态电流可满足严格的OEM电流要求
- 待机模式下,静态电流为95μA
- 关断电流:10µA(最大值)
- 降低了开关频率下的EMI辐射
- 通过 SPS引脚启用/禁用扩频功能
- 保护特性提高系统可靠性
- 电源欠压闭锁和热关断保护
- 输出PGOOD 指示器、过压和短路保护
应用
- ADAS ECU
- 信息娱乐系统
- 车身电子产品
- 起停系统
- 负载点电源
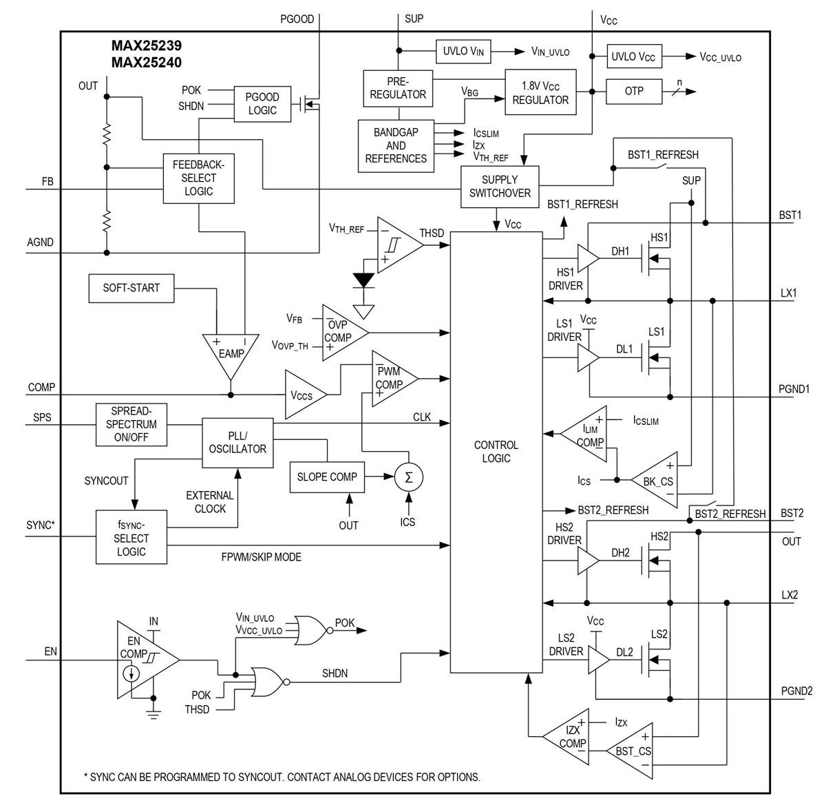
框图
发布日期: 2022-11-29
| 更新日期: 2023-04-13

