特性
- 双路降压转换器
- 宽输入电压范围:3.0V至36V(42V,最大值)
- 低关断电源电流(6.5µA,最大值)
- 低工作静态电流,一个通道打开(12µA,典型值)
- 可编程VOUT :0.8V至14V
- 每通道高达8A
- 两个转换器之间180°异相工作
- 最短导通时间:24ns(典型值)
- 双/四相操作
- 能够并联操作两个IC,实现四相操作
- ±10%电流共享精度
- 在双相时支持高达16A电流,在四相时支持32A电流
- 诊断和冗余电路 (MAX25255)
- 符合ASIL B要求
- 冗余参考
- 裸片温度监控器
- 精密欠压和过压保护
- 综述
- 23引脚、4.50mm x 5.75mm FC2QFN封装
- 环境工作温度范围:-40°C至+125°C
- 符合AEC-Q100标准
- 开关频率选项:200kHz、400kHz、1MHz或2MHz
- 扩频
应用
- 前端电源,用于音响主机
- ASIL
- 通用双降压转换器
- 远程信息处理模块
- 前置摄像头电源
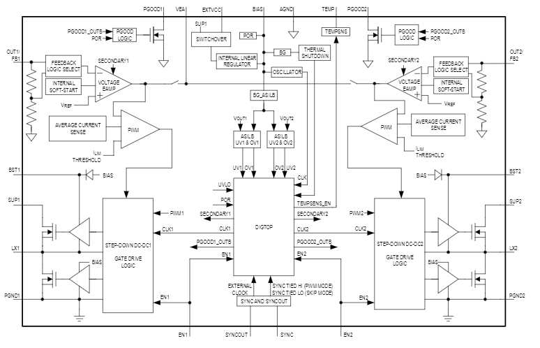
框图
发布日期: 2022-11-29
| 更新日期: 2023-04-13

