Analog Devices / Maxim Integrated MAX25262/MAX25263车用微型降压转换器
Analog Devices MAX25262/MAX25263车用2A/3A微型降压转换器提供高达2A/3A电流的集成高侧和低侧开关。MAX25262/MAX25263在3.5V至65V的输入范围内工作,而在无负载时仅使用3.5μA的静态电流。这些转换器包括20ns最小导通时间的小能力,支持在单级中进行大的降压转换,而不会跳过周期。98%的最大占空因数和低高侧FET导通电阻允许低输入电压应用的低压差运行。Analog Devices MAX25262/MAX25263微型降压转换器通过观察PGOOD信号来监测电压质量,并提供两个固定的5V和3.3V输出电压。此外,使用外部电阻分压器,可将该器件配置为1V至20V的输出电压。MAX25262/MAX25263频率在内部固定在2.1MHz,允许较小的外部组件,减少输出纹波,并保证没有AM干扰。400kHz选项可实现最小开关损耗和最大效率。当FSYNC被拉低时,该IC在轻负载时进入跳跃模式,以实现轻负载的高效率。引脚可选强制脉宽调制(PWM)模式也可用于EMI关键型应用。该IC采用对称倒装芯片封装,可提供卓越的EMI性能。此外,引脚可选扩频有助于增强EMI性能。
特性
- 符合严格的原始设备制造商(OEM)模块功耗和性能规范
- 输出电流能力:2A/3A
- 供电电流:3.5μA(待机模式)
- EMI降低功能可在不牺牲宽输入电压范围的情况下降低对敏感无线电频段的干扰
- 20ns(典型值)最短导通时间可保证3.3V输出在2.1MHz和24V输入时无跳跃运行
- 扩频选项
- 锁相环(PLL)频率同步
- 支持双电池运行
- 3.5V至65V的宽输入电源范围
- 可编程1V至20V输出电压
- 提供固定5V/3.3V/12V选项
- 保护功能提升了系统可靠性
- PGOOD输出和高压EN输入简化了电源排序
- 欠压闭锁
- 过热和短路保护
- 符合AEC-Q100标准
应用
- 双电池汽车系统
- 汽车仪器组
- 分布式直流电源系统
- 导航与无线电主机
其他资源
视频
简化框图
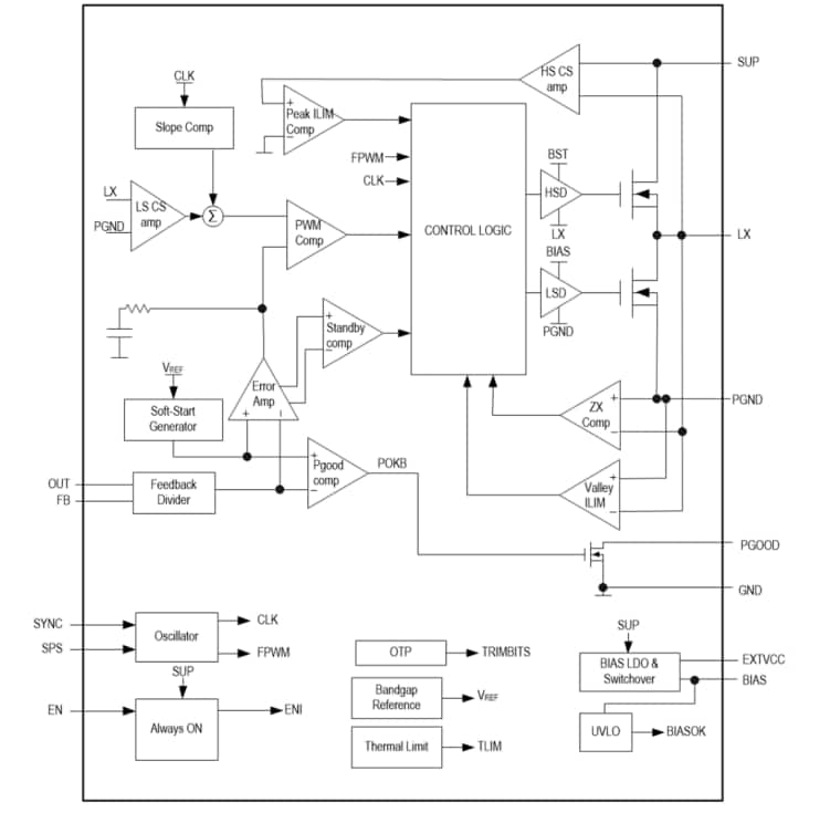
功能图
发布日期: 2023-02-01
| 更新日期: 2023-04-24
