MAX25530的源驱动器电源由同步升压转换器和反相降压-升压转换器组成,可产生高达+18V和低至-7V电压。正极源驱动器可提供高达120mA电流,而负极源驱动器可提供100mA电流。
电源域启动和关断序列通过七种预设模式之一控制,可通过SEQ引脚上的电阻器或I2C接口进行选择。
ADI MAX25530采用带裸露焊盘的40引脚 (6mm x 6mm) TQFN封装,环境工作温度范围为-40°C至+105°C。
特性
- 4输出TFT-LCD偏置功率
- 2.8V至5.5V输入,用于TFT-LCD部分
- 集成430kHz或2.2MHz升压和降压-升压转换器
- 正负10mA栅极电压
- 稳压器(三倍频/反向双倍频),输出电压可调
- 通过SEQ引脚实现灵活的电阻可编程排序
- 所有输出上欠压检测
- 低静态电流待机模式
- 4通道LED背光驱动器
- 每通道电流:高达150mA
- 输入电压范围:4.5V至42V
- 集成升压/SEPIC控制器(440kHz或2.2MHz)
- 调光比:10,000:1(200Hz时)
- 自适应电压优化,可降低LED电流吸收器内的功耗
- 开路灯串、短路LED以及接地短路诊断
- 低EMI
- LED灯串的相移调光
- LED驱动器和TFT上的扩频
- 可选开关频率
- I2C接口,进行控制和诊断
- 通过FLTB引脚和I2C进行故障指示
- 故障检测后自动重试
- 过载和热保护
- 环境温度范围:-40°C至+105°C
- 40引脚 (6mm x 6mm) TQFN封装,带裸露焊盘
- AECQ100 1级
应用
- 汽车仪表板
- 汽车中央信息显示屏
- 汽车平视显示器
- 汽车导航系统
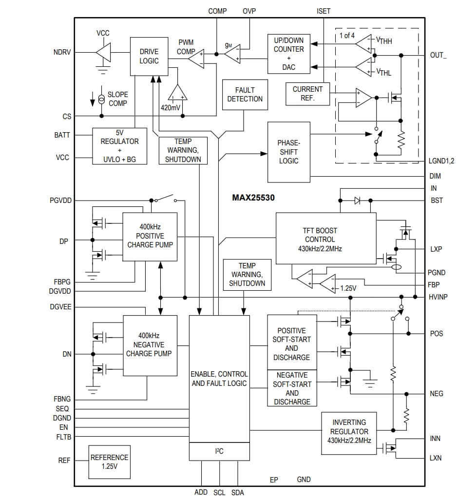
框图
发布日期: 2021-04-05
| 更新日期: 2023-04-13

