Analog Devices / Maxim Integrated MAX25606 LED照明用6开关矩阵管理器
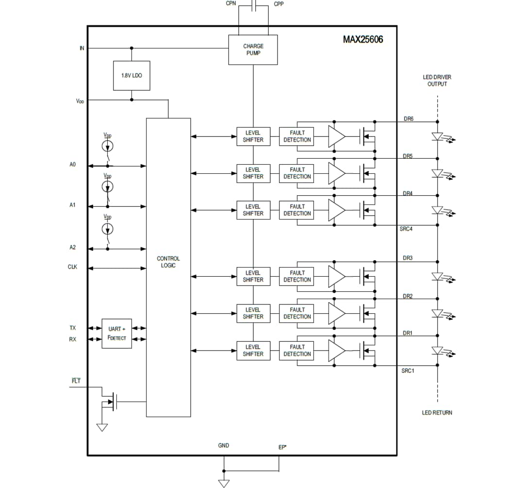
Analog Devices MAX25606 6开关矩阵管理器(用于LED照明)优化用于单串或双串汽车照明应用。MAX25606集成了六个单独控制的N沟道MOSFET开关。 每个开关的导通电阻为0.2Ω,额定电压为16V。单个电流源可用于为串联的所有LED供电。通过打开和关闭每个LED上的旁路开关可以为单个LED调光。MAX25606还可配置为两串应用,每串串联三个开关。每个开关均可串联一个、两个或三个LED上。该器件还支持并联两个开关至旁路大电流LED。MAX25606包括一个内部电荷泵,为LED旁路开关的栅极驱动。MAX25606具有通用异步收发器 (UART) 通信接口。每个开关均可通过12位PWM占空比调整进行打开、关闭或PWM调制。两种不同PWM设置之间的转换可以立即发生,也可以应用对数淡入转换。对数淡入算法内置在MAX25606中,仅需一个软件命令。该器件通过串行接口提供开路LED保护以及开路和短路LED故障报告。
Analog Devices MAX25606 6开关矩阵管理器采用热增强型TQFN20封装,带可湿性侧翼。带可湿性侧翼的器件可实现自动光学检测 (AOI),具有更强的剪切耐力,并可应对PCB弯曲,从而提高可靠性。该器件符合AEC-Q100 1级标准,设计用于在-40ºC至+125ºC整个温度范围内工作。
特性
- 符合汽车应用类AEC-Q100标准
- 六开关矩阵管理器可实现灵活配置
- 单串和双串配置
- 单串最多串联6个开关
- 双串最多串联3个开关
- 每个开关最多3个LED
- 可靠的串行接口
- 多点分支UART通信接口
- 多达64个可寻址器件
- 兼容CAN物理层
- 最佳PWM调光排列提供出色的调光性能
- 可编程12位PWM调光
- PWM调光状态之间的淡化转换
- 内部时钟发生器或外部时钟,用于PWM调光
- EMI抑制
- 可编程转换率,用于EMI控制
- 集成扩频频率抖动
- 保护特性和封装提高了可靠性
- 开路LED保护
- 可编程开路和短路LED阈值
- 开路和短路LED故障报告
- 开路跟踪故障报告
- 工作温度范围:-40ºC至+125ºC
- 4.0mm x 4.0mm TQFN20封装,带可湿性侧翼
- 无铅,符合RoHS指令
应用
- 汽车矩阵LED系统和自适应驱动光束灯
典型应用电路
框图
发布日期: 2021-06-21
| 更新日期: 2023-04-11
