特性
- Ultra-low 8dB noise figure
- High-power 5dB gain
- Wide 6V to 3.6V supply range
- Integrated 50Ω output matching circuit
- Power-shutdown control mode eliminates the need for an external supply switch
- Low 4.1mA supply current
- ±2500V ESD HBM (Human Body Model)
- -40°C to +85°C operating temperature range
- 1.5mm x 1.0mm x 0.75mm, 6-pin μDFN package
- RoHS compliant
应用
- Automotive navigation
- Avionics
- Smartphones
- Location-enabled mobile devices
- Notebook PCs and tablets
- Personal navigation devices (PND)
- Recreational and marine navigation
- Asset tracking and management
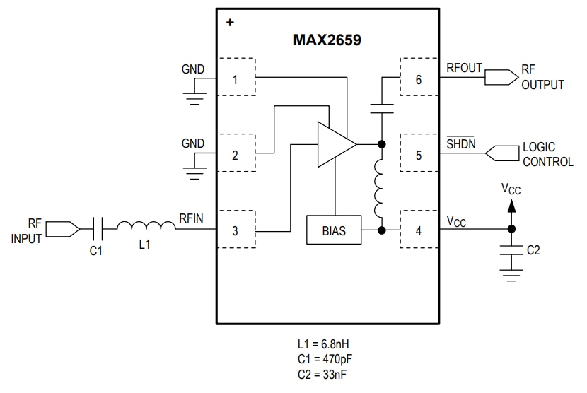
Block Diagram
发布日期: 2016-05-03
| 更新日期: 2025-02-06

