Analog Devices / Maxim Integrated MAX32625和MAX32626 32位MCU
Maxim Integrated MAX32625和MAX32626 Arm® Cortex®-M4F 32位MCU非常适合用于新兴的可穿戴医疗和健身应用。该架构结合了超低功耗、高效信号处理功能和易用性。1个内部96MHz振荡器提供高性能功能。内部4MHz振荡器支持需要始终监视之应用的最低功耗。MAX32625和MAX32626 MCU具有512KB闪存和160KB SRAM。这些器件具有4种功能强大而灵活的电源管理模式。外设管理单元 (PMU) 支持智能外设控制,具有多达6个通道,显著降低了功耗。内置动态时钟门控和固件控制的电源门控允许用户优化特定应用的功耗。The MAX32625 and MAX32626 MCUs provide 512kB of flash and 160kB of SRAM. These devices feature four powerful and flexible power modes. A peripheral management unit (PMU) enables intelligent peripheral control with up to six channels to significantly reduce power consumption. Built-in dynamic and firmware-controlled clock gating allows users to optimize power for the specific application.
The Analog Devices MAX32625 and MAX32626 MCUs are available in WLP-63 and TQFN-EP-68 packages with a -30°C to +85°C operating temperature range.
View MAX32625EVKIT & MAX32626EVKIT Evaluation Kits
View MAX32625PICO Evaluation Board
特性
- High-Efficiency Microcontroller for Wearable Devices
- Internal Oscillator Operates Up to 96MHz
- Low Power 4MHz Oscillator System Clock Option for Always-On Monitoring Applications
- 512KB Flash Memory (256KB “L” Version)
- 160KB SRAM (128KB “L” Version)
- 8KB Instruction Cache
- 1.2V Core Supply Voltage
- 1.8V to 3.3V I/O
- Optional 3.3V ±5% USB Supply Voltage
- Optimal Peripheral Mix Provides Platform Scalability
- SPI Execute in Place (SPIX) Engine for Memory Expansion with Minimal Footprint
- Three SPI Masters, One SPI Slave
- Three UARTs
- Up to Two I2C Masters, One I2C Slave
- 1-Wire Master
- Full-Speed USB 2.0 Device with Internal Transceiver
- Sixteen Pulse Train (PWM) Engines
- Six 32-Bit Timers and 3 Watchdog Timers
- Up to 40 General-Purpose I/O Pins
- 10-Bit Delta-Sigma ADC Operating at 7.8ksps
- AES -128, -192, -256
- CMOS-Level 32kHz RTC Output Available in All Power Modes
- Power Management Maximizes Uptime for Battery Applications
- 106μA/MHz Active Current Executing from Cache<
- 49μA/MHz Active Current Executing from FlashWake-Up to 96MHz Clock or 4MHz Clock
- 600nA Low Power Mode (LP0) Current with RTC Enabled
- 2.56μW Ultra-Low Power Data Retention Sleep Mode (LP1) with Fast 5μs Wake-Up on 96MHz Clock Source
- 27μA/MHz Low Power Mode (LP2) Current
- Secure Valuable IP and Data with Robust Internal Hardware Security (MAX32626 Only)
- Trust Protection Unit (TPU) Provides ECDSA and Modular Arithmetic Acceleration Support
- PRNG Seed Generator
- Physical Specifications
- Wide Operating Temperature: -30°C to +85°C
- Package Options
- WLP-63
- TQFN-EP-68
- RoHS Compliant
应用
- Sports Watches
- Smart Watches
- Fitness Monitors
- Wearable Medical Patches
- Portable Medical Devices
- Sensor Hubs
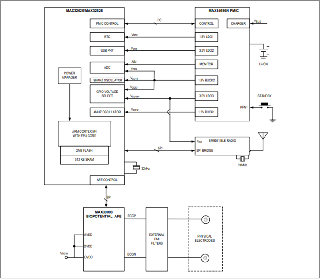
Block Diagram
Typical Application Circuit
发布日期: 2016-11-21
| 更新日期: 2023-04-21
