Analog Devices / Maxim Integrated MAX33054E 2Mbps CAN收发器
Maxim Integrated MAX33054E 2Mbps控制器局域网 (CAN) 收发器是一款具有集成保护特性的3.3V收发器,适用于工业应用。MAX33054E CAN收发器具有待机 (STBY) 引脚,可用于3种工作模式。这些模式包括用于低电流消耗的待机模式、常规高速模式或低压摆率模式。MAX33054E CAN收发器具有扩展的±65V故障保护,支持要求过压保护的设备。MAX33054E收发器还具有较高的±25kV ESD人体模型 (HBM) 和±25V的输入共模范围 (CMR)。MAX33054E具有短路保护、热关断以及1.62V至3.6V逻辑电源 (VL) 范围。典型应用包括可编程逻辑控制器、工业自动化、楼宇自动化、仪器仪表、智能电网设备、无人机和电机控制。特性
- 可编程逻辑控制器
- 集成保护提高可靠性:
- ±65V故障容限CANH和CANL
- ±25kV ESD HBM
- ±25V扩展CMR
- 发射器显性超时可防止锁定
- 短路保护
- 热关断
- 该系列提供灵活的设计选项:
- 低压摆率,可尽可能降低EMI
- 用于低电流模式和低压摆率的STBY输入
- 1.62V至3.6V逻辑电源,最高可达2Mbps
- 工作温度范围:-40°C至125°C
- 8引脚小外形集成电路 (SOIC) 封装
应用
- 可编程逻辑控制器
- 工业自动化
- 楼宇自动化
- 仪器仪表
- 智能电网设备
- 无人机
- 电机控制
MAX33054E收发器框图
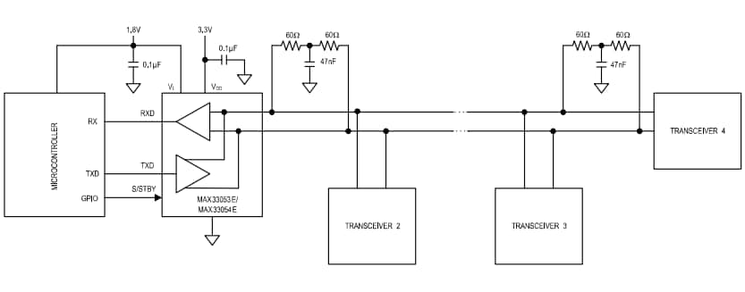
MAX33054E收发器应用电路图
MAX33054E引脚示意图
发布日期: 2018-09-12
| 更新日期: 2023-04-24
