特性
- 可实现密闭性检测的高精度流量测定法
- 时间数字精度低至700ps,测量范围高达8ms
- 2通道:一站式通道
- 高精度温度测量法,实现了准确的流量计算
- 一个2线传感器:PT1000、PT500 RTD以及热敏电阻支持
- 器件及整体系统功耗较低,最大程度延长了电池的使用时间
- ToF测量时仅消耗62µA电流;占空比测温模式下,消耗125nA电流
- 具有随机数发生器的事件定时模式可降低主机µC过度消耗,从而最小化系统功耗
- 2.3V至3.6V单电源操作
- 高度集成的解决方案最大程度减少了元件数并降低了BOM成本
- 内置实时时钟
- 小尺寸5mm x 5mm、40引脚TQFN封装
- 工作温度范围:-40°C至85°C
应用
- 超声波气量计
- 医疗呼吸机
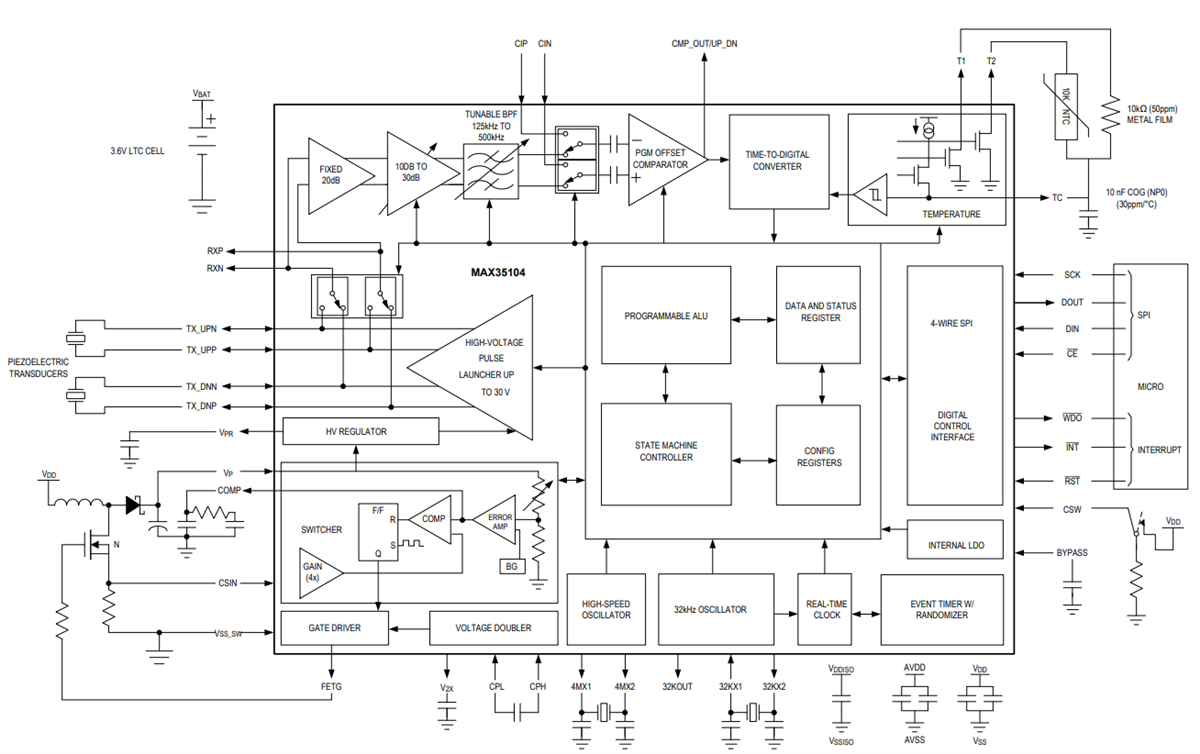
MAX35104框图
发布日期: 2017-06-21
| 更新日期: 2023-04-17

