特性
- 高效率解决方案
- 峰值效率高达96%
- 满负载时的效率高达95.5%
- 轻负载时的效率高达94%(1A电流、DCM下)
- 设计灵活,可实现早期的PCB定义
- 与MAX38801 (15A) 和MAX38802/MAX38803 (25A) 占位尺寸兼容
- 高达1MHz的可编程开关频率
- 可编程软启动和STAT延迟时间
- 可编程参考电压,带外部输入选项
- 可编程正负OCP限制
- 先进的架构、保护和报告功能可保证可靠的设计
- 支持当前源出和吸入
- 模拟电流或温度报告
- 差分远程感测与开路检测
- 快速瞬态响应,采用Quick-PWM™架构
- 基于百分比的输出功率良好和OVP
- 漏极开路状态指示 (STAT) 引脚
- 输入欠压和过压闭锁
- 自适应死区时间控制
- 节约电路板空间
- 集成式升压开关
- 19焊球WLCSP (2.2mm x 2.8mm) 占位
- 采用陶瓷输入和输出电容器
应用
- 服务器/μServer
- I/O和芯片组电源
- GPU内核电源
- DDR内存:VDDQ、VPP和VTT
- 负载点 (PoL) 应用
其他资源
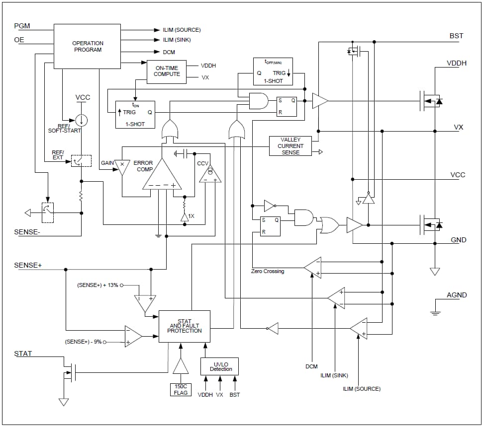
MAX38800框图
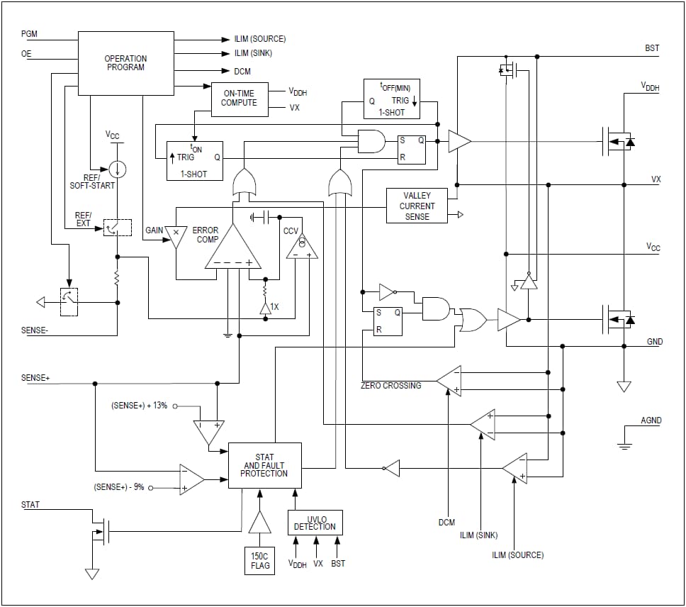
MAX38801框图
发布日期: 2018-01-30
| 更新日期: 2023-04-11

