MAX38802和MAX38803具有不同可编程选项,可实现各种配置。可编程特性包括内部和外部基准电压、输出电压设定点、开关频率、过流保护电平 (OCP) 和软启动定时。断续电流模式 (DCM) 可通过引脚搭接启用,提高轻负载效率。
MAX38802和MAX38803具有多种保护和测量特性。正负逐周期OCP、短路保护和过热保护 (OTP) 确保设计稳健耐用。输入电压超出规范时,输入欠压和过压闭锁将关断稳压器,防止造成损坏。发生输出过压 (OVP) 事件时停止调节。状态引脚指示输出电压在范围内,输出电压处于调节状态。该器件具有模拟输出,可配置为分别报告±5%和±8°C的输出电流或结温。
Analog Devices MAX38802和MAX38803降压开关稳压器采用紧凑的2.2mm x 3.8mm WLCSP27封装,热阻低,PCB面积小。
特性
- 高效率解决方案
- 峰值高达97%
- 高达87%满载
- 轻负载时效率高达96%(1A时),DCM启用
- 占位与MAX38800 (9A) 和MAX38801 (15A) 兼容
- 高达1MHz的可编程开关频率
- 可编程软启动和STAT延迟时间
- 可编程参考电压,带外部输入选项
- 可编程正负OCP限制
- 模拟电流或温度报告
- 差分远程感测与开路检测
- 快速瞬态响应,采用Quick-PWM™架构
- 基于百分比的输出功率良好和OVP
- 漏极开路状态指示 (STAT) 引脚
- 输入欠压和过压闭锁
- 自适应死区时间控制
- 集成升压开关
- 采用陶瓷输入和输出电容器
- 2mm x 3.8mm WLCSP27封装
应用
- DDR内存: VDDQ、VPP和VTT
- GPU内核电源
- I/O和芯片组电源
- 负载点 (POL) 应用
- 服务器和微服务器
MAX38802配置选项
MAX38803配置选项
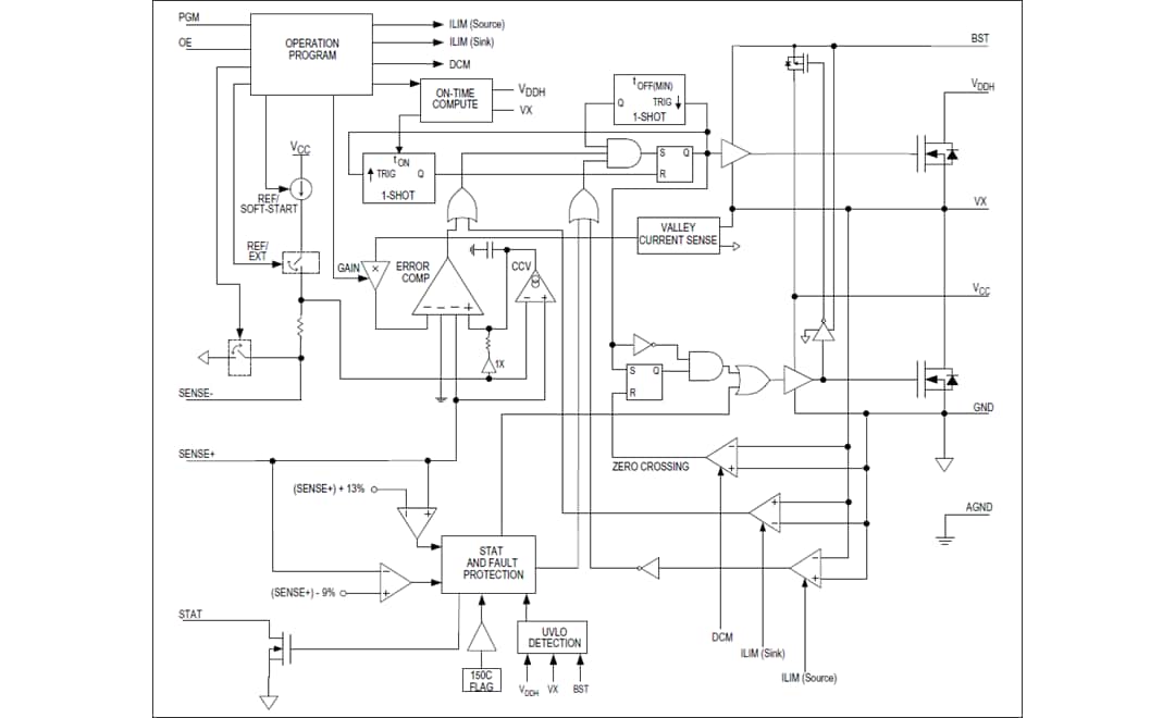
框图
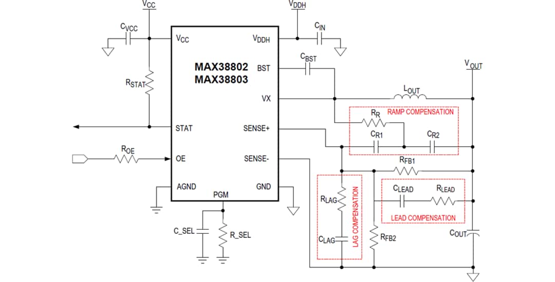
基本应用电路
发布日期: 2020-11-05
| 更新日期: 2024-07-17

