特性
- 符合IEEE 802.3af/at标准
- 兼容UPoE
- 大功率2x2P/多PD同步/多PD冗余
- 集成有源FET电桥控制和反向供电保护
- 可选UVLO,适用于医疗/工业应用
- 2级浪涌电流控制
- 智能MPS
- 用于无缝电源转换的简化墙式适配器接口
- 超低功率/睡眠模式
- 2事件分级或外部壁式适配器指示器输出
- PoE分级0-5
- 用于外部隔离MOSFET的栅极驱动器
- 可选的电流限制和折返
- RJ45 12V电源输入
- 6.5s睡眠模式延迟
应用
- IEEE 802.3af/at受电设备 (PD)
- 通用以太网供电 (UPoE)
- 毫微微蜂窝、微微蜂窝、微蜂窝
- 大功率2x2P PD
- 多PD冗余
- 光纤到户/楼 (FTTH/FTTB)
- IP电话
- 无线接入节点
- IP安全摄像头 (IPC)
- WiMAX®基站
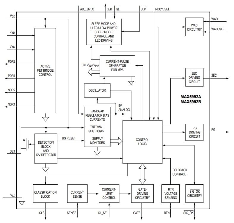
框图
发布日期: 2019-06-24
| 更新日期: 2023-04-17

