Analog Devices / Maxim Integrated MAX5996符合IEEE® 802.3bt标准的用电设备
Analog Devices AX5996符合IEEE® 802.3bt标准的供电设备符合以太网供电系统的IEEE 802.3af/at/bt标准,具有检测特征文件、分类特征文件以及具有启动涌流控制的集成电源开关。MAX5996在启动期间将电流限制在135mA,当功率MOSFET完全增强时,MAX5996切换到较高的电流限制。该器件具有多事件分类、智能MPS、Autoclass和具有宽迟滞和低频脉冲时间的输入UVLO,可确保上电/断电期间无干扰转换。MAX5996在输入端最大可承受100V电压。Analog Devices MAX5996符合IEEE 802.3bt标准的供电设备可检测是否存在壁装式适配器电源,从而在PoE电源与壁装式电源之间顺畅切换。此外,该器件提供电源良好 (PG) 信号、两步电流限制和折返控制以及过热保护。
MAX5996采用16引脚5mm x 5mmTQFN电源封装,额定温度范围为-40°C至125°C。
特性
- 精确的电源遥测(专利申请中)
- 恒定功率/电流限制(专利申请中)
- LLDP电源/电流电平读数(专利申请中)
- 符合IEEE802.3bt标准
- 内置90W隔离开关
- 多分类
- 多事件功率级指示
- 简化的壁式适配器接口
- 启动期间的浪涌电流限制
- 正常工作时的电流限制
- 过热保护
- 自动聚类算法 (AutoClass)
- 可选绿色MPS
- 智能MPS(专利US 9152161)
- 5mm x 5mm 16引脚TQFN
应用
- 符合IEEE 802.3bt标准的供电设备
- VOIP电话,IP安全摄像头
- 无线接入点
- 小型蜂窝,微微蜂窝
- 照明
- 楼宇自动化
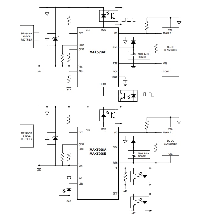
简化框图
发布日期: 2021-09-28
| 更新日期: 2025-07-24
