特性
- 易于使用
- GUI驱动SPI接口
- 通过软件GUI访问数字引擎
- 经过组装和全面测试
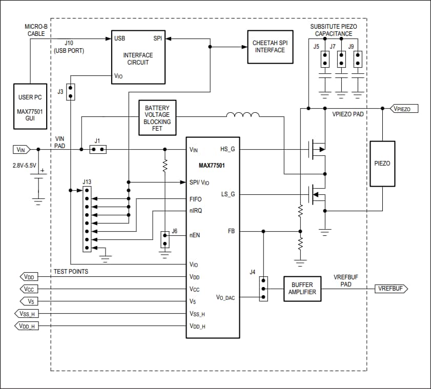
- 可选接头,用于快速测试不同输出电容器 (J7: 330nF, J9: 680nF, J5: 1µF)
- 连接到转换器反馈的缓冲配置运算放大器,用于测量按比例缩小的DAC输出电压或输出。
- 测试点,用于测量升压转换器和电荷泵的所有输出
- 触觉/触觉反馈设备
- 键盘、鼠标、遥控器和外设
- 智能手机、平板电脑/电子阅读器、游戏机
框图
发布日期: 2022-03-28
| 更新日期: 2023-04-17

