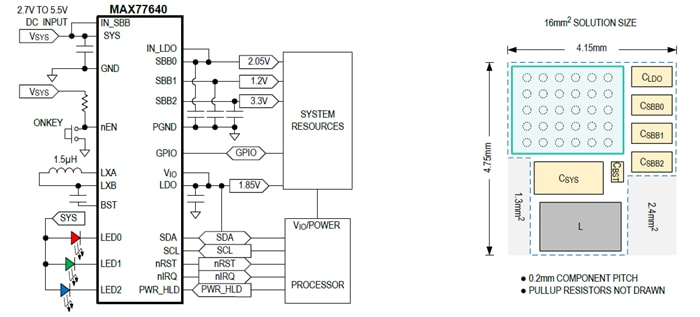
该款三路输出SIMO能够支持>300mA负载(1.8VOUT、3.7VIN),工作输入电压范围为2.7V至5.5V,具有5.6μA工作电流和300nA关断电流。可将电流槽设置为以自定义模式闪烁LED。根据订购选项,输出可在0.8V至5.25V范围内独立编程。集成的电源排序器可控制每路输出的上电/掉电顺序。每路输出均可在降压和升压操作之间实现无中断切换。
MAX77640/MAX77641 PMIC器件具有紧凑尺寸、设计用于延长电池寿命的三路输出SIMO,以及可在噪声敏感应用中提供纹波抑制的150mA LDO,因此非常适合用于可听式设备、可穿戴设备以及物联网 (IoT) 设备。
特性
- 紧凑、高效的电源解决方案
- 三路输出、单电感多输出 (SIMO) 降压-升压稳压器
- 150mA LDO
- 3通道电流槽驱动器
- 灵活的电源排序器
- GPIO和复位输出
- 三路输出SIMO可延长电池寿命
- 输入电压范围:2.7V至5.5V(通过单节锂离子电池实现)
- 输出电压范围:0.8V至5.25V
- 支持>300mA负载(1.8VOUT、3.7VIN)
- 提高了整体系统效率并降低了尺寸
- 与传统降压不同,可以在保持稳压的同时不形成压差
- 无中断降压-升压工作模式
- 低静态电流
- 300nA关断电流
- 5.6μA工作电流(3个SIMO通道,开启LDO)
- 小尺寸
- 2.75mm x 2.15mm(最大高度为0.7mm)WLP
- 30焊球、0.4mm间距、6x5阵列
- 整体解决方案尺寸为16mm2
应用
- 可听式设备:蓝牙耳机和耳塞
- 可穿戴设备:健身、健康和活动监视器
- 动作摄影机、可穿戴式/身体相机
- 物联网 (IoT) 设备
简化应用电路
发布日期: 2018-08-23
| 更新日期: 2023-04-25

