Analog Devices / Maxim Integrated MAX77857评估套件

Analog Devices MAX77857评估套件是经过完整装配和测试的印刷电路板 (PCB),用于演示MAX77857降压-升压转换器。该器件的输入电压范围为2.5V至16V,使用内部反馈电阻器可在4.5V至15V范围内调节输出电压,使用外部反馈电阻器可在3V至15V范围内调节输出电压。MAX77857评估套件出厂配置为内部反馈,默认启动输出电压为5V。Analog Devices MAX77857评估套件设有I/O引脚,支持I2C串行接口、使能功能以及中断/电源正常指示器。

特性

  • 经过验证的PCB参考设计和布局优势
  • 完全组装并经过测试
  • 用于高精度测量的感应点
  • 可访问的测试点引脚,用于EN、POKB/INTB、VIO和I2C串行接口SCL、SDA
  • MAXUSB_INTERFACE#可轻松与Windows PC通信
  • 驱动I2C串行接口的GUI软件,用于可选的软件控制
  • 启动输出电压可通过外部反馈电阻器调节
  • 输出电压可通过I2C串行接口动态调节
  • I2C从地址、开关电流限制,使用RSEL (R9) 可调整反馈配置

应用电路图

应用电路图 - Analog Devices / Maxim Integrated MAX77857评估套件

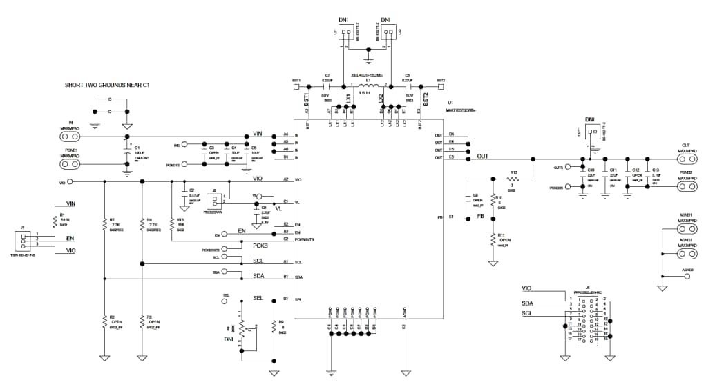
MAX77857评估套件示意图

原理图 - Analog Devices / Maxim Integrated MAX77857评估套件
发布日期: 2022-05-20 | 更新日期: 2023-04-17