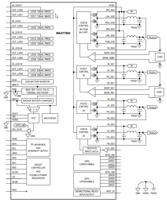
特性
- 采用2.6V至5.5V电源供电
- 输出电压范围:0.6V至3.3875V
- 输出电流:8A
- 可以采用低成本PCB技术
- 包括4个DC-DC降压稳压器
- 包括9个低压差线性稳压器
- 无需外部MOSFET
- 在最低功耗状态下消耗12µA电流
- 所有稳压器均采用低功耗模式,以降低功耗
- LDO仅通过负载点电容器即可稳定工作
- I2C 3.0兼容接口
- nIRQ中断输出
- 8个GPIO
- 实时时钟 (RTC)
- 备用电池充电器
- 定时时钟输出
- 系统看门狗定时器
- I2C看门狗定时器
- 双向复位I/O
- 灵活的电源排序器 (FPS)
- 热关断
- 工作温度范围:-40°C至+85°C
应用
- 个人网络查看器
- 数码相框
- 机顶盒
- 智能手机
- GPS
- 汽车售后配件
简化功能图
发布日期: 2019-11-22
| 更新日期: 2023-05-04

