Analog Devices / Maxim Integrated MAX77950评估套件

Maxim Integrated MAX77950评估套件具有12W输出功率,并使用多个测试点来测量输出、整流器输出和交流电压。MAX77950套件符合WPC低功耗 (v1.2) 和PMA SR1 (v2.0) 通信协议的规范要求。当该套件与WPC或PMA发射器耦合时,使用近场磁感应运行。套件中包含一个平面线圈,用于无线接收或发射电源;以及基于Windows®的软件,可提供图形用户界面 (GUI)。另外,该套件采用经过验证的PCB布局,设有用于监控运行情况的LED指示等,并符合RoHS指令。

特性

  • 带有接收器线圈的随时就绪评估套件
  • 多个测试点,可测量输出电压 (VOUT)、整流器输出电压 (VRECT) 和交流电压
  • 图形用户界面 (GUI) 软件,支持多功能测试
  • 用于监控运行情况的LED指示灯
  • 符合RoHS指令
  • 经过验证的PCB布局
  • 完全组装并经过测试

套件内容

  • 符合WPC/PMA标准的无线功率发射器
  • Micro-USB电缆
  • 数字万用表 (DVM)
  • 基于Windows的PC
  • 可选:直流电源和电子负载

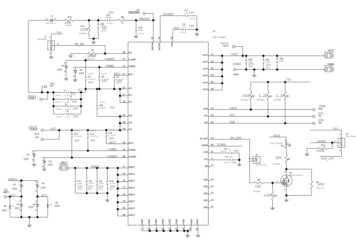
MAX77950评估套件示意图

原理图 - Analog Devices / Maxim Integrated MAX77950评估套件
发布日期: 2017-09-20 | 更新日期: 2023-04-14