该电源模块工作在4.5V至36V的电压范围内,提供高达1A的输出电流。MAXM17630和MAXM17631模块分别具有3.3 V和5 V固定输出电压。MAXM17632模块具有可调输出电压(0.9 V至12 V)。该器件提供真即插即用电源解决方案,显著降低了设计复杂性、制造风险并缩短了产品上市时间。在整个输出电压范围内的内置补偿消除了对外部补偿元件的需要。
MAXM1763x电源模块采用峰值电流模式控制架构,可在脉宽调制 (PWM)、脉冲频率调制 (PFM) 或断续导通模式 (DCM) 下工作,从而在轻负载条件下实现高效率。该模块系列在-40°C至+125°C范围内的反馈电压调节精度为±1.2%。
MAXM1763x电源模块采用薄型、紧凑型16引脚、3mm x 3mm x 1.75mm uSLIC™封装。还提供有仿真模型。
特性
- 易于使用
- 宽输入范围:4.5 V至36 V
- 0.9V至12V可调输出 (MAXM17632)
- 3.3V和5V固定输出版本(MAXM17630和MAXM17631)
- 400 kHz至2.2 MHz可调频率,可实现与外部时钟同步
- 反馈精度:±1.2%
- 输出电流高达 1 A
- 内部补偿
- 全陶瓷电容器
- 高效率
- 可选PWM、PFM或DCM工作模式
- 辅助电压自举电源 (EXTVCC),用于提高效率
- 关断电流只有2.8μA(典型值)
- 灵活的设计
- 可调节单调启动,提供预偏置输出电压
- 内置输出电压监控,带RESET引脚
- 可编程EN/UVLO阈值
- 稳健运行
- 断续模式过载保护
- 过温保护
- 环境工作温度范围:−40°C至+125°C
- -40 °C至+150 °C结温范围
- 坚固耐用
- 符合CISPR22 (EN55022) B类传导和辐射排放标准
- 符合跌落、冲击和振动标准:JESD22-B103、B104、B111
应用
- 工业控制电源
- 通用负载点
- 分布式电源调节
- 基站电源
- 高压单板系统
- 可编程逻辑控制器
视频
MAXM17631 典型应用
MAXM17632典型应用
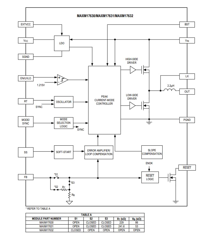
功能图
发布日期: 2020-02-18
| 更新日期: 2025-08-07

