Analog Devices / Maxim Integrated MAXREFDES115 电源参考设计
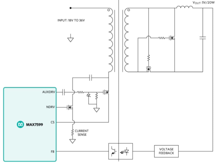
Maxim MAXREFDES115 隔离式电源参考设计是一系列隔离式工业电源参考设计。 这些参考设计均为电源专家所设计和构建。 每种电源都可有效地将 24V 电压转换成各种功率水平下的有用电压轨。 每个电源轨都采用现成的变压器进行隔离,这些变压器可从众多全球供应商采购,以方便快速地进行选择。 每一款设计都经过针对负载和电源调整以及效率和瞬态性能进行了测试。 MAXREFDES115 是一种高效的有源箝位拓扑,在 4A (20W) 电源下具有 24V 输入和 5V 输出。 这种设计具有 MAX17599 低 IQ、宽输入范围、有源钳位电流模式 PWM 控制器。 整个电路适合装配在 20mmx55mm 的电路板上。特性
- Analog Devices MAX17599, a low-IQ wide-input range active clamp current-mode PWM controller
- Included Transformer
- MAXREFDES115A - Wurth Electronics (750315945)
- MAXREFDES115B - Sumida (12387-T070)
- MAXREFDES115C - Hanrun Electronics (HR051434)
- Functional Insulation
- Compact and Flexible
- Low Power Dissipation
- Minimal External Components
- Robust Operation in Adverse Industrial Environments
- 5V at 4A Output with 20% Over-Range Current
应用
- PLCs
- Industrial Process Control and Sensors
- Telecom and Datacom Power Supplies
Block Diagram
Additional Resource
发布日期: 2016-09-01
| 更新日期: 2023-04-12
