TMC2225-BOB分线板包括采用HTSSOP28封装的预装ADI TMC2225步进驱动器,以及支持电路和状态LED。该分线板还设有排针,可访问所有关键引脚信号。
TMC2225-BOB设计用于为用户提供快速制作应用原型的机会,使用户在开发应用的软件时可以立即检查电机与TMC2225的性能如何。
特性
- TMC2225-SA步进电机驱动器
- 电源电压:5V至28V
- I相最高可达1.4ARMS
- 使用StealthChop™静音运行
- 通过UART的配置和扩展诊断
- 通过步进/方向接口来控制
- 紧凑型1.0" x 1.0" PCB
- 2个10针0.1"接头排,用于引脚信号
板布局
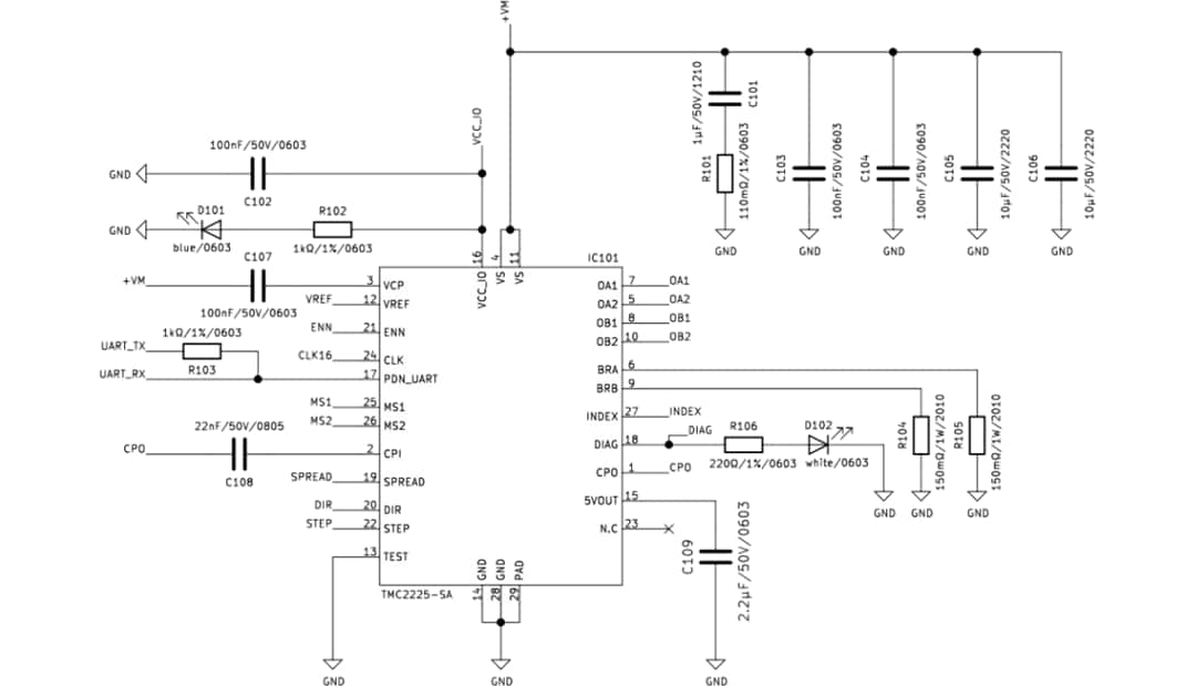
示意图
视频
发布日期: 2021-03-29
| 更新日期: 2026-02-03

