Apex Microtechnology PA02 & PA02A Power Operational Amplifiers
Apex Microtechnology PA02 & PA02A Power Operational Amplifiers are wide-band, high-output current operational amplifiers. The devices are designed to drive resistive, inductive, and capacitive loads. The amplifiers' "collector output" stage swings close to the supply rails and is protected against inductive kickback. For optimum linearity, the output stage is biased for class A/B operation.Features
- 350kHz high power bandwidth
- 20V/µs high slew rate
- 600ns fast settling time
- Class A/B low crossover distortion
- 1.2V at 2A low internal losses
- ±5A Peak high output current
- FET Input low input bias current
- 300VDC isolated case
Applications
- Motor, valve, and actuator control
- Magnetic deflection circuits up to 5A
- Power transducers up to 350kHz
- Audio amplifiers up to 30W RMS
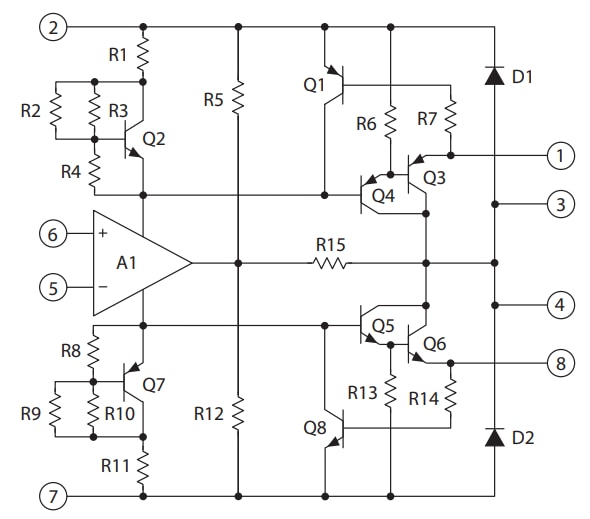
Equivalent Schematic
发布日期: 2022-11-07
| 更新日期: 2022-11-09
