Arbor Technology FPC-7701/7702/7703 Embedded Box Computers
Arbor Technology FPC-7701, FPC-7702, and FPC-7703 Embedded Box Computers are fanless and developed for robust environments. The FPC-770x Box Computers come with up to 16GB of RAM, 2x RS-232 ports, 2x RS-485 ports, 6x USB 2.0, 4x USB 3.0 ports, 1x DVID-D port, and 1x DVI-I port. It also features 1x minicard slot interconnected with the SIM card socket for optional WiFi or HSUPA mode. Storage is available with a 2.25" HDD Drive bay and an available CFast socket. The FPC-770x Comppuiters also feature additional external PCIe slots to allow for optional expansion cards. The enclosure of these embedded fanless computers is constructed of an aluminum alloy and is designed to be wall-mountable.Features
- CPU: Support Intel® 2nd & 3rd generation Core™ i7/i5/i3 or Celeron® processors in rPGA988 socket
- Memory: 2x 204-pin DDR3 SO-DIMM sockets, supporting 1333/1600MHz SDRAM up to 16GB
- Chipset: Intel® QM77
- Graphics: Integrated Intel® HD 4000
- ATA:
- 2x Serial ATA ports with 600MB/s HDD transfer rate
- 2x eSATA
- LAN Chipset:
- 2x Intel® WG82583V GbE controllers
- 1 x Intel® WG82579LM GbE PHY w/ iAMT
- Watchdog Timer: 1 to 255 levels reset
- Serial Port: 4x RS-232 ports via one DB-44 female connector (COM3 and COM4 are RS-232/422/485 configurable, w/ isolated protection.)
- USB Port:
- 6x USB 2.0 ports, 4x USB 3.0/2.0 ports
- 2x internal USB dongle for software license key (optional)
- LAN: 3x RJ-45 ports for GbE
- Video Port:
- 1x DVI-I female connector for Digital/ analog video output
- 1x DVI-D female connector for digital video output
- Selectable Port:
- 1x DB25 connector for 1x DIO (8 in/8 out) port or 1x LPT port (either one)
- DIO by default, can be changed to LPT
- Audio: Mic-in/Line-out
- Expansion Bus:
- 1x Mini-card socket interconnected with SIM card socket for optional WiFI or HSUPA module
- 1x SIM socket/1x CFast socket (outside accessible)
- 1x PCIe x16 slot + 1x PCI slot (FPC-7701)
- 1x PCIe x16 slot + 1x PCIe x8 slot (via x4 lanes) (FPC-7702)
- 2x PCI (FPC-7703)
- Environmental
- Operating Temperature: -20°C to 55°C, ambient w/ air flow
- Storage Temperature: -40°C to 85°C
- Operating Humidity: 10% to 95% @ 55°C (non-condensing)
- Vibration: 3Grms/5Hz to 500Hz/random operation w/ SSD
- Shock
- Operating: 40G (11ms)
- Non-operating 60G with SSD
- Certification: CE, FCC Class A
- Power Requirement
- Power Input: DC 9V to 36V input w/ 4-pin terminal block
- Power Consumption: Max. 75W (w/o I/O card)
- Weight: 7kg (15.43lb)
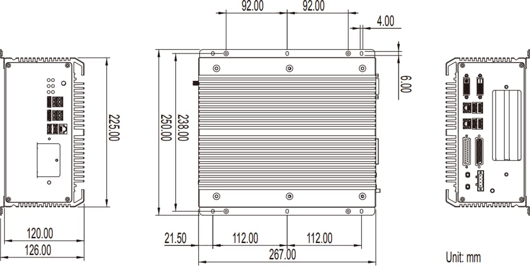
- Dimensions: 225mm x 267mm x 120mm
- Options
- FPC-7701 Fanless system w/ 1x PCI + 1x PCIe x16
- FPC-7702 Fanless system w/ 1x PCIex8 + 1x PCIe x16
- FPC-7703 Fanless system w/ 2x PCI
Dimensions
发布日期: 2014-05-28
| 更新日期: 2022-03-11
