Arduino MKR Therm Shield
Arduino MKR Therm Sheild provides a perfect gateway for professional thermal sensors. This Arduino therm shield can be connected to a type k thermocouple, a fork connector, and the DS18B20 "1 wire" digital thermometer. The MKR therm shield offers serial and one wire interface and is 65mm x 25mm.The MKR therm shield is based on a MAX31855 thermocouple digital interface that offers high accuracy and a wide range of measured temperatures. This Therm shield derives its applications in professional and precise thermometer projects.
Features
- Connections access
- Thermocouple with k-type connector
- Fork connector
- DS18B20 "1 wire" digital thermometer
- Serial and one wire interface
- 65mm x 25mm dimensions
Applications
- Professional and precise thermometer projects
- Cold chain checker
- Professional thermal sensors
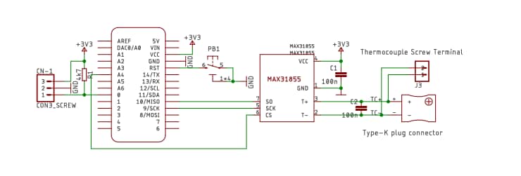
Schematic
Pin Diagram
发布日期: 2019-05-08
| 更新日期: 2023-05-02
