Banner Engineering Q20-2 Polarized Retroreflective Sensors
Banner Engineering Q20-2 Polarized Retroreflective Sensors offer excellent sensing performance with best-in-class optical-to-mechanical alignment for consistent lock and load mounting. These sensors feature a single-turn gain potentiometer, LO/DO switch, and bright indicator LEDs, providing easy alignment and configuration for reliable sensing. The Q20-2 photoelectric sensors are designed with standard 3mm threaded brass mounting holes on 1-inch spacing and help easy integration into tight spaces. These polarized retroreflective models for one-sided installation with a retroreflective target are ideal for detecting dark and shiny targets. The Q20-2 sensors come in compact, rugged, and sealed plastic housing.The Q20-KLAF is an infrared laser sensor that uses time-of-flight technology to consistently and reliably detect challenging targets up to 3m away. Multiple sensing modes on the Q20-KLAF solve different application problems, reducing stock by using only one sensor. IO-Link® streamlines control system integration and provides easy access to measurement values, delay timers, and advanced diagnostics.
Features
- Good sensing performance
- Compact, rugged, and sealed plastic housing
- Single-turn gain potentiometer
- Light Operate/Dark Operate (LO/DO) switch
- BRT-2x2 sensor fixing and accessory
- Bright and visible red indicator LEDs
- Standard 3mm threaded mounting holes on 25.4mm (1-inch) spacing
- Best-in-class optical to mechanical alignment for consistent lock and load mounting
Specifications
- 10VDC to 30VDC (10% maximum ripple within specified limits) at less than 20mA, exclusive of load
- 645nm visible red LED
- Indicators:
- Green solid: Power on
- Amber solid: Light sensed
- Amber flashing: Marginal sensing condition
- Protected against reverse polarity and transient voltages
- 600µs output response (OFF to ON and ON to OFF)
- 144μs repeatability
- -25°C to 70°C operating temperature range
- IP67 environmental rating
Applications
- Detecting dark and shiny targets
- Industrial
- Automation
- Robotics
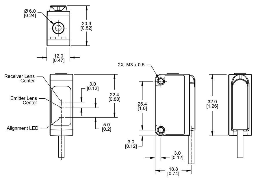
Dimensions
Performance Graphs
Videos
发布日期: 2023-07-13
| 更新日期: 2025-07-29
