Bosch BMA530 Shuttle Board 3.0

Bosch BMA530 Shuttle Board 3.0是一款预装有BMA530加速度传感器的印刷电路板(PCB)。该抖动版与应用板3.0/3.1搭配使用,可评估BMA530传感器提供的各种功能。BMA530 Shuttle Board 3.0支持通过一个简单的插座轻松访问传感器引脚,并可直接插入Bosch Sensortec应用板3.0/3.1。

特性

  • 预安装的BMA530加速度传感器
  • 评估BMA530的各种功能
  • 通过简单插座轻松连接传感器引脚
  • 直接插入Bosch Sensortec应用板3.0/3.1
  • 尺寸:22 mmx14 mmx1.6 mm

应用

  • 可穿戴设备和活动跟踪设备
  • 玩具和小器具
  • 笔记本电脑
  • 手势识别
  • 自由落体检测

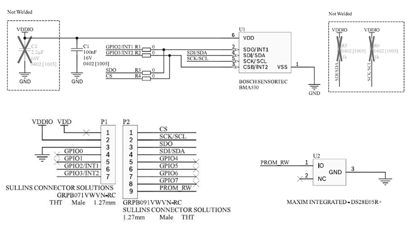
电气布局

Bosch BMA530 Shuttle Board 3.0

尺寸(mm)

Bosch BMA530 Shuttle Board 3.0
发布日期: 2024-05-14 | 更新日期: 2024-05-17