Bosch BME690 Shuttle Board 3.0
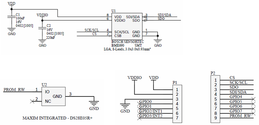
Bosch BME690 Shuttle Board 3.0是一块印刷电路板 (PCB),带有预装的BME690空气质量(气体、压力、温度和湿度)传感器。与 Bosch Application Board 3.x结合使用,Shuttle Board可评估传感器本身提供的信号输出或BSEC库为传感器生成的附加输出。Shuttle Board可通过简单的插座轻松访问传感器引脚,并可直接插入Application Board 3.x。通常,Bosch BME690 Shuttle Board 3.0可验证温度、湿度、压力和空气质量指数 (IAQ)。特性
- 预装有BME690空气质量传感器的PCB
- 评估传感器提供的信号输出以及 BSEC库(软件下载) 生成的附加输出
- 通过简单的插座轻松访问传感器引脚
- 直接插入Application Board 3.x
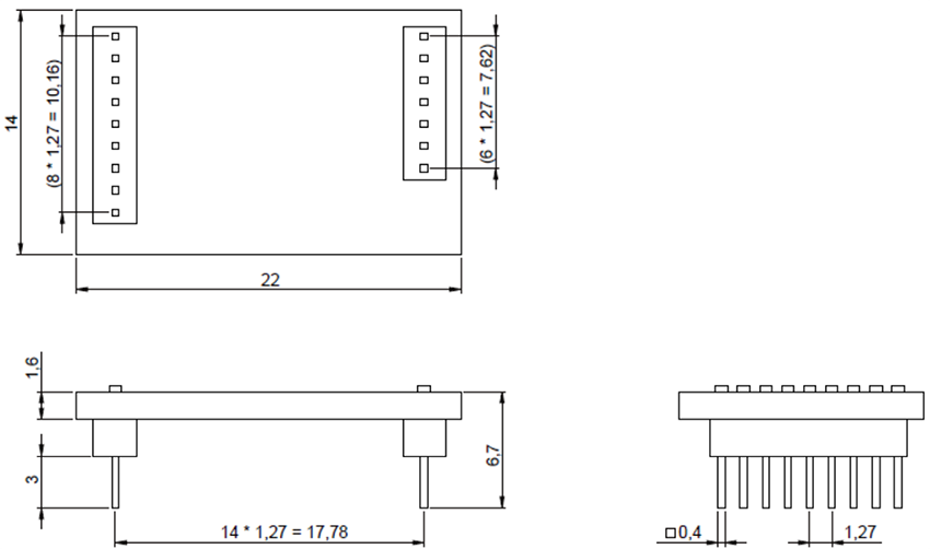
- 尺寸为22mm x 20mm x 1.7mm
应用
- 智能家居
- 可穿戴设备
电气布局
尺寸:mm
发布日期: 2025-01-02
| 更新日期: 2025-07-16
