特性
- 表面贴装2mm密封式单匝
- 微型设计,提高灵活性
- 标准电阻范围:0Ω至2MΩ
- 标准电阻容差:±20%
- 旋转周期:25次
- 温度系数:100 ppm/°C
- 额定功率(50V最大电压):
- 0.1W(70°C)
- 0W(125°C)
- 可调性:
- ±0.4%(分压器)
- ±0.8%(变阻器)
- 工作温度范围:-55 °C至125 °C
应用
- 助听器
- 条形码扫描仪
- 闭路电视
- 传感器(距离和位移)
- 激光二极管
- 接近开关(感应、超声波和磁性)
- 编码器(光学、绝对、旋转和光电)
- 超声波探测器
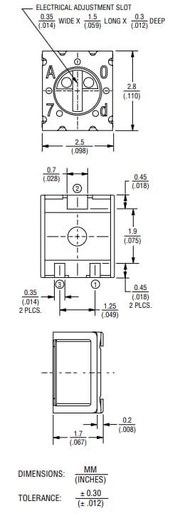
产品尺寸
发布日期: 2024-04-29
| 更新日期: 2024-05-31

