Bourns SM9107xAL AEC-Q200 LAN 10/100 Base-T变压器

Bourns SM9107xAL LAN 10/100 Base-T变压器是单端口LAN 10/100 Base-T/隔离变压器模块,设有共模扼流圈,可用于以太网应用中的噪声抑制。Bourns SM9107xAL LAN变压器符合IEEE 802.3u标准,隔离电压为1500VAC,扩展工作温度范围为-40°C至+125°C。这些LAN变压器符合AEC-Q200标准和RoHS标准。

特性

  • 符合IEEE 802.3u (100 Base-T)规范
  • 隔离电压:1500VAC
  • 符合 AEC-Q200
  • 工作温度范围:-40 °C至+125 °C
  • 设计用于诊断应用
  • 符合RoHS标准

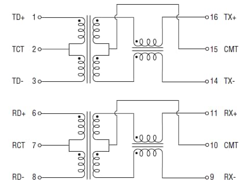
SM91071AL电气原理图

原理图 - Bourns SM9107xAL AEC-Q200 LAN 10/100 Base-T变压器

SM91072AL和SM91073AL电气原理图

原理图 - Bourns SM9107xAL AEC-Q200 LAN 10/100 Base-T变压器
发布日期: 2020-02-03 | 更新日期: 2024-03-19