Bourns HCT符合AEC-Q200标准的电源变压器
Bourns HCT AEC-Q200认证的电源变压器具有高电气间隙和爬电距离变,采用铁氧体环形磁芯,以实现高耦合系数和效率。该变压器具有增强型隔离、8mm最小间隙/爬电距离以及5kV耐压,可高度隔离高压危险。Bourns HCT AEC-Q200认证的电源变压器设计用于使用Texas Instruments SN6501和SN6505B变压器驱动器的隔离电源。该系列符合IEC 60950-1、IEC 62368-1、IEC 60664-1和汽车类AEC-Q200标准。
特性
- 符合AEC-Q200标准
- 环形磁芯,实现高耦合和低辐射
- 加强绝缘工作电压:800V
- 符合IEC 60950-1、IEC 62368-1和IEC 60664-1标准
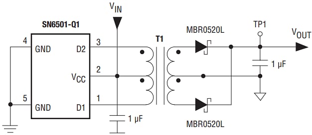
- 设计用于使用TI SN6501和SN6505B的隔离电源
- 符合RoHS指令
应用
- 汽车电池管理系统 (BMS)
- 汽车栅极驱动器
- RS485
规范
- 3.3 V 到 5 V 的输入电压
- 额定电压:3.3 V至15 V
- 额定电流:350mA AC
- 最小一次侧电感:250µH至350µH(100kHz时)
- 漏电感:0.6µH至1.8µH(100kHz时)
- 工作温度范围:-40°C至+125°C
相关产品
每圈为各种输出电压提供3.3V或5V输入(在某些配置中高达350mA)。
符合AEC-Q200标准的高压、高间隙/爬电距离隔离式电源变压器。
增强型隔离、15mm最小间隙/爬电距离、7.64kV (2s) 耐压。
薄型外壳(7.5mm),最小电气间隙/爬电距离为10mm,耐压为4.2kV(60s)。
Push-pull driver for small transformers.
Designed to drive a low-profile, center-tapped transformer from a 2.25V to 5V DC power supply.
相关解决方案
变压器、扼流圈、电阻器及其他专为电气化系统设计的产品。
用于符合监管要求的外部或内部、正向或反激式SMPS。
发布日期: 2020-01-21
| 更新日期: 2026-02-23