Bourns HCTSM150102HLF功率变换器
Bourns HCTSM150102HLF功率变换器是一款设计用于紧凑型电源系统中高压隔离的高间隙变压器。该功率变换器具有1500VDC 工作电压、7640VDC 高压额定值、15mm间隙和爬电距离,以及最高可达150°C的F级绝缘。HCTSM150102HLF变压器符合IEC 60664-1和IEC/UL 62368-1标准,支持过电压类别II和污染度2。得益于这些特性,这款变压器非常适合用于CAN、RS-485、RS-422、RS-232、SPI、I2C和低功耗局域网中的隔离接口电源。HCTSM150102HLF变压器非常适合工业4.0和需要与危险电压隔离的系统,例如1500V能量存储器中的高压电池组。特性
- 工作电压:1500VDC
- 7640VDC ,持续2s,1mA最大泄漏Hi-Pot测试
- 15mm间隙距离
- 15 mm 爬电距离
- 最高可达150°C增强型F级绝缘
- 过电压类别 II,污染度2,海拔高度最高4km
- 符合IEC 60664-1和IEC/UL 62368-1标准
- 符合 RoHS 标准
应用
- 高侧和低侧栅极驱动电路
- CAN、RS-485、RS-422、RS-232、SPI、I2C和低功耗局域网隔离
- 隔离式直流-直流转换器
- 电池管理系统 (BMS) 和储能解决方案
- 汽车和工业隔离应用
规范
- 100kHz、1V和0A时,初级电感最小为80µH
- 100kHz和0.1V时,泄漏电感最大为4.0µH(引脚1–3)
- DCR(DC电阻):
- 最大值为0.3Ω(引脚1–3)
- 最大值为0.7Ω(引脚6-4)
- 1:2±3%匝数比和极性(引脚1–3至6–4)
- 最大工作电压:1500VDC
- -40°C至150°C 工作温度范围(包括温度上升)
- 存放温度范围:-25°C至85°C
- 潮湿敏感度等级 (MSL):1级
- ESD分类 (HBM):不适用
电气原理图
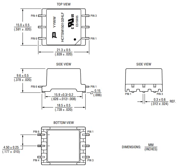
尺寸
发布日期: 2025-10-23
| 更新日期: 2025-10-28
