Bourns 2052 & 2056 Series Light Duty 3-Electrode GDTs
Bourns 2052 and 2056 Series Light Duty 3-Electrode Gas Discharge Tubes (GDTs) are specifically designed to protect telecommunications, industrial, and consumer electronics applications from transient surge voltages that may result from lightning strikes and equipment switching operations. These devices offer maximum surge ratings from 5kA to 10kA, low capacitance of ‹2pF max. and high insulation resistance of >1GΩ. Light Duty 3-Electrode GDTs feature a broad array of breakover voltage levels with Series 2056 offering a 90V to 600V range and Series 2052 GDTs with a symmetrical breakdown voltage range of 230V to 800V. A Switch-Grade Fail-Short option is available for 2056 Series GDTs. Bourns 2052 and 2056 Series Light Duty 3-Electrode GDTs are available in surface mount and axial leaded packages.Features
- Surface mount design
- Symmetrical breakdown voltage (L-L, L-G)
- Low capacitance and insertion loss
- Compact sizes
- UL recognized
- RoHS compliant
- UL recognized
Applications
- Industrial equipment/electronics
- Telecommunications electronics
- Consumer electronics
2052 Dimensions
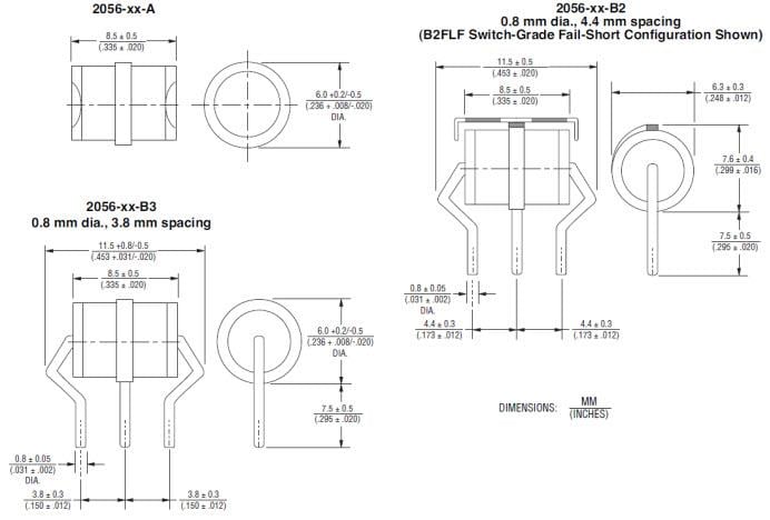
2056 Dimensions
发布日期: 2012-09-25
| 更新日期: 2022-03-11
