Bourns PF-J POWrFuse™大功率保险丝

Bourns PF-J POWrFuse™大功率保险丝额定电流为30A至70A,额定电压高达500VAC,中断等级达2kA。PF-J保险丝专门设计用于满足UL 284-14要求,有助于在极端环境温度和故障电流事件中保护系统。该系列产品符合RoHS标准,不含卤素,工作温度范围为-55°C至+125°C。Bourns PF-J POWrFuse大功率保险丝的理想应用包括工业、家用电器、空调逆变器、冰机压缩机和除湿机压缩机。

特性

  • 设计符合UL 248-14补充标准
  • 额定电流:30 A至70 A
  • 额定电压达500VAC
  • 中断等级达2kA
  • 工作温度范围:-55°C至+125°C
  • 符合RoHS指令,不含卤素

应用

  • 工业
  • 家用电器
  • 空调逆变器
  • 制冰机压缩机
  • 除湿机压缩机

降额曲线

Bourns PF-J POWrFuse™大功率保险丝

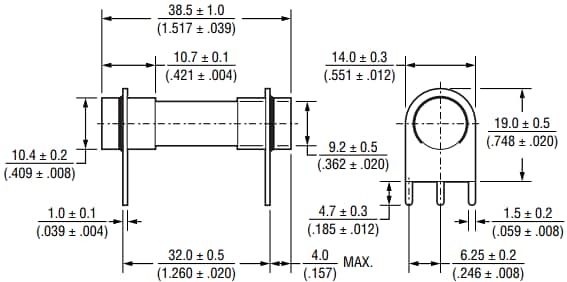
外形尺寸

Bourns PF-J POWrFuse™大功率保险丝
发布日期: 2022-07-06 | 更新日期: 2025-06-12