特性
- 前Riedon产品
- Manganin电阻元件
- 无感金属元件
- 中心安装电压抽头
- 大额定电流
- 低电阻值
- 0.25%容差
- 设计紧凑,用于空间受限的应用
- 通过UL认证,符合RoHS指令
应用
- 工业电源
- UPS系统
- 逆变器
规范
- 1500 A至6000 A额定电流范围
- 工作电流范围:1000 A至4000 A
- 额定输出:50mV或100mV
- 50mV输出时的电阻范围:0.0083mΩ至0.033mΩ
- 100mV输出时的电阻范围:0.016mΩ至0.067mΩ
- TCR:15ppm至20ppm
- 工作温度范围:-40 °C至+100 °C
- 储存温度范围:-55°C至+125°C
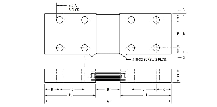
机械图
发布日期: 2024-08-26
| 更新日期: 2024-08-26

